Este circuito utiliza sólo componentes pasivos y un relé para hacer parpadear lámparas o LEDs comunes. Se puede utilizar en señales de emergencia o como flecha o indicador de dirección para bicicletas y otros vehículos.
Describimos el montaje de un simple intermitente o intermitente de 6 V o 12 V, según el relé, capaz de accionar lámparas o LED de señalización.
El circuito es muy simple, pues utiliza pocos componentes y tiene el mismo principio de algunos circuitos de flecha encontrados en coches antiguos.
La electrónica usada es prácticamente nula, ya que no necesitamos transistores, circuitos integrados u otros componentes.
El circuito se basa en el tiempo de descarga de un capacitor a través del devanado de un relé.
Cuanto mayor sea el capacitor usado y mayor la resistencia del devanado del relé, menor será la frecuencia del circuito.
Los relés de 6 o 12 V con bobinas de 50 a 100 mA funcionarán en el circuito y el valor ideal del capacitor para la aplicación debe ser obtenido experimentalmente.
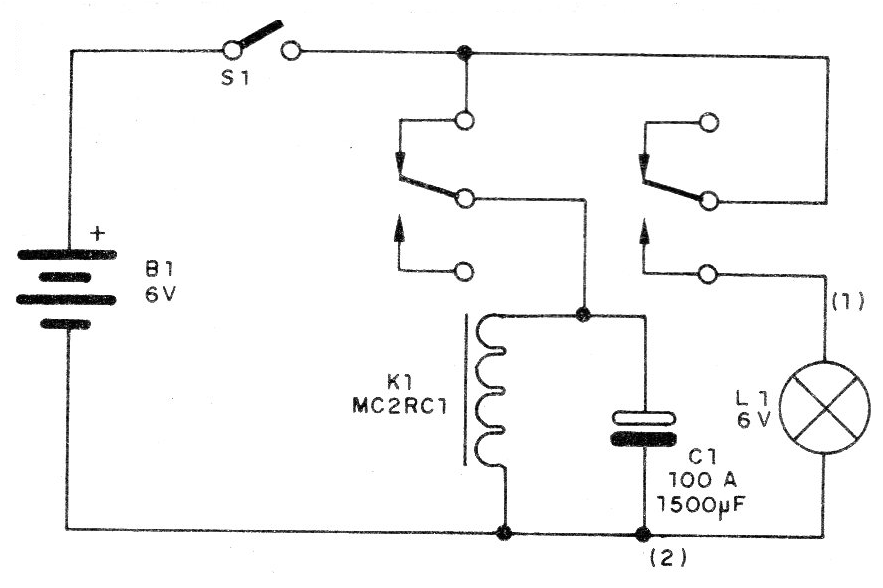
En la figura 1 tenemos el diagrama del simple intermitente.
El montaje es muy simple y una pequeña barra de terminales sirve para asegurar las conexiones y el capacitor.
Este montaje se muestra en la figura 2.
En el diseño mostramos un soporte de 4 pilas para el caso de relé de 6 V, pero el circuito puede funcionar con relés de 12 V, siendo entonces instalado en un coche o alimentado por fuente.
Para utilizar LED, la conexión es la misma que la de la lámpara sólo recordando que los LEDs necesitan un resistor conveniente en serie.
Los relés deben ser del tipo con dos contactos reversibles como el mostrado en la figura.
Lista de material
K1 - Relé de 6 o 12 V con dos contactos reversibles
C1 - 100 uF a 1 500 uF x 16 - capacitor electrolítico
S1 - Interruptor simple
B1 - 6 o 12 V - pilas o batería
X1 - Lámpara o LED - ver texto
Varios:
Puente de terminales, soporte de pilas o fuente, hilos, soldadura, etc.





