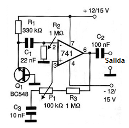
Nuestro circuito, ilustrado en la figura 1, hace uso de un transistor de silicio (o diodo de silicio) para generar la señal básica y un amplificador operacional para aumentar su intensidad.

El amplificador operacional sugerido es el 741, pero los equivalentes, incluso con transistores de efecto de campo como el CA3140 se pueden utilizar.
La fuente de alimentación debe ser simétrica y el nivel de la señal se ajusta en el potenciómetro P1.
El resistor R1 se puede cambiar en el rango de 220 k ohms a 1 M ohms, según el componente utilizado como fuente de ruido.
Observe que la fuente de alimentación debe ser simétrica, y que su tensión debe estar entre 9 y 15 V.
Si el aparato se utiliza como fuente independiente de ruido, se puede hacer su montaje en la placa de circuito impreso con el patrón presentado en la figura 2.




