Los temporizadores pueden ser diseñados para funcionar de infinitas maneras: simples, dobles, triples, múltiples, ligando o apagando cargas con las más diversas combinaciones. La idea básica explotada en este artículo es de un módulo que puede ser reproducido tantas veces como sean los temporizadores necesarios, y en configuraciones que permitan accionamientos paralelos. Esto permite que el lector cree su temporizador para una aplicación específica con facilidad, basada en bloques básicos.
Los temporizadores pueden admitir las más diversas configuraciones conectando o apagando una o más cargas al final de un intervalo, o aún accionando nuevos bloques de temporización en sistemas múltiples.
Hacer un proyecto único de temporizador puede ser interesante en muchos casos, pero atiende a un grupo específico de usuarios. Una idea que exploramos en este artículo, como hablamos en la introducción, consiste en crear un bloque básico que, por la cantidad y modo de conexión, podrá permitir al proyectista montar cualquier tipo de temporizador.
Cada bloque admite una temporización máxima del orden de 1 hora, y su asociación puede ser hecha en cantidades ilimitadas. Los bloques de accionamiento poseen relés que pueden accionar cargas, cuya potencia máxima depende sólo de sus contactos.
La alimentación del circuito se realiza con una tensión de 12 V y el consumo total dependerá sólo de la cantidad de bloques y de relés que deben ser accionados. Cada bloque consume en promedio 5 mA, mientras que el relé del tipo indicado requiere una corriente de 50 mA.
A partir del análisis del principio de funcionamiento, con los ejemplos de aplicación que vamos a dar, será fácil para el lector crear su propio temporizador con múltiples cargas y tiempos.
COMO FUNCIONA
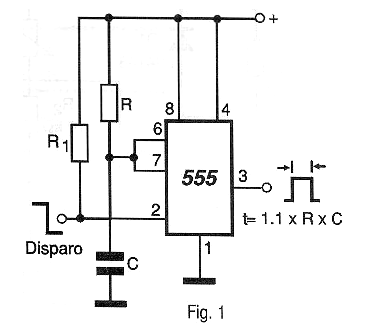
El bloque básico del temporizador es el conocido circuito integrado 555 en la configuración monoestable mostrada en la figura 1.

Cuando el pinor 2 se dispara por un instante (transición del nivel alto al nivel bajo), la salida del circuito integrado (pin 3) va al nivel alto por un tiempo que depende de R y C en el circuito.
El valor aproximado de la temporización es dado por la fórmula:
t = 1,1 x R x C
El capacitor está limitado a un valor máximo que depende de su calidad, pues eventuales fugas pueden afectar el funcionamiento del circuito. En la práctica, no recomendamos que los condensadores de más de 2 200 uF sean usados y, sin embargo, especial cuidado se debe tomar con su elección.
El resistor (R) está limitado a algo alrededor de 2,2 M ohms, por el mismo motivo. Si la fuga del condensador tiene este mismo orden de valor, la tensión del circuito no alcanzará el punto de conmutación y el circuito no temporizará.
Con estos valores límites podemos obtener una temporización máxima del orden de 1 hora por bloque.
Pues bien, podemos conectar estos bloques en cascada, como muestra la figura 2, de modo que al final de la temporización del primero, el segundo entra en funcionamiento comenzando su temporización. De la misma forma, al final de la temporización del segundo bloque, entra en funcionamiento el tercero y así sucesivamente, cada cual con ajuste independiente de tiempo.

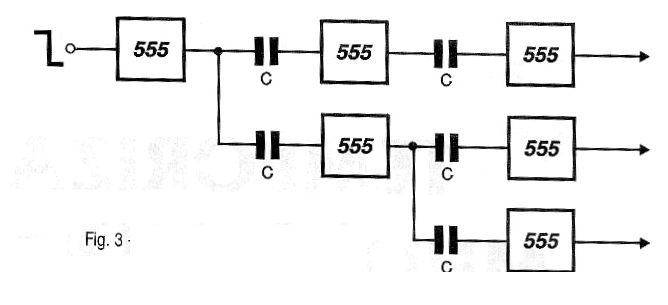
Podemos todavía conectar bloques en paralelo, de acuerdo con la figura 3.
En este caso, al final de la temporización del primero, los dos segundos bloques entran en funcionamiento, cada uno con una temporización independiente. El accionamiento final se realizará por un bloque que contiene un relé.
Las alternativas para este bloque consisten en el uso de accionadores de corriente continua, tales como transistores bipolares de potencia o aún Power-FET como se muestra en la figura 4.

Con el transistor TIP31 podemos controlar cargas de hasta 2 amperios aproximadamente, y con Power-FETs las cargas pueden ser mayores dependiendo del transistor usado. También se pueden utilizar Darlingtons de potencia y SCR. Sin embargo, en el caso del SCR debe considerarse el aislamiento de la red de energía.
MONTAJE
En la figura 5 damos el diagrama completo de un módulo de temporización.
La disposición de los componentes en una placa de circuito impreso se muestra en la figura 6.
El capacitores C deberá ser dimensionado de acuerdo con la temporización deseada pudiendo variar entre 1 y 2200 uF típicamente. El trimpot sirve para hacer un ajuste fino de la temporización.
Para la interconexión de los diversos módulos se pueden utilizar terminales de encaje, lo que facilita bastante el diseño. En realidad, existe también la posibilidad de modificar el diseño de la placa del módulo de modo que pueda ser encajada en ranuras y así tener un temporizador múltiple donde la programación sea hecha externamente en un bus único.
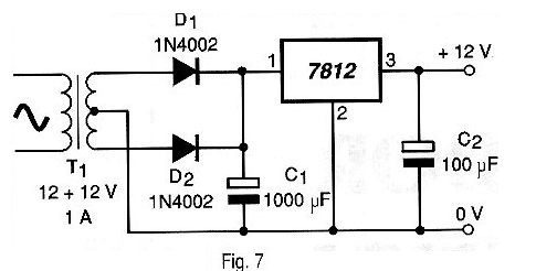
La fuente de alimentación para el circuito, admitiendo hasta 10 bloques de relés, se muestra en la figura 7.

La cantidad de bloques de temporización, sin embargo, puede ser mucho mayor. El transformador tiene bobinado de acuerdo con la red local de energía y el circuito integrado debe estar dotado de un radiador de calor.
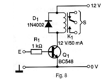
El módulo de accionamiento del relé tiene su circuito mostrado en la figura 8.

En la figura 9 tenemos la disposición de los componentes de este módulo en una placa de circuito impreso.

El relé es del tipo universal, con base DIL, con corriente de bobina de hasta 50 mA. Si se utilizan otros tipos de relé, se deben realizar modificaciones en el diseño de la tarjeta. Este tipo de relé puede controlar cargas de hasta 10 amperios.
PRUEBA Y USO
Para probar cada módulo basta con alimentarlo con 12 V y conectar en la salida un voltímetro (multímetro en la escala de tensiones que permita leer 12 V). Aterrando por un instante la entrada E, la salida debe presentar una tensión de 12 V durante un intervalo de tiempo que dependerá del valor de C y del ajuste del trimpot.
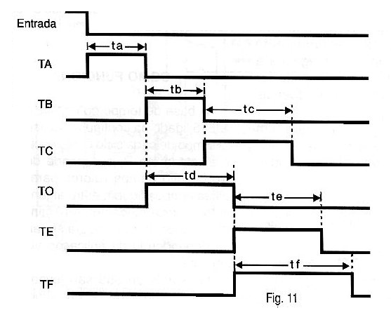
En la figura 10 tenemos un ejemplo de composición de un sistema temporizador múltiple con 4 relés y 6 bloques de tiempo.
El diagrama de tiempos de este circuito se muestra en la figura 11.

Los relés serán accionados obedeciendo la tabla abajo.
El uso de los contactos NA y NF de los relés permite aún encender o apagar las cargas cuando los relés estén energizados.
Una posibilidad interesante a ser considerada en este circuito es la realimentación: cuando el último relé es accionado, el primer bloque de temporización será redisparado, obteniéndose así un funcionamiento cíclico del sistema. Esta configuración puede ser interesante para un sistema de simulación de presencia.
LISTA DE MATERIAL
a) Módulo de tiempo
Semiconductores:
CI-1 - 555 - circuito integrado
D1 - 1N4148 o equivalente - diodo de uso general
Resistores: (1/8 W, 5%)
R1 - 47 k ohms
R2, R3 - 10 k ohms
P1 - 1 M ohms o 2,2 M ohms (ver texto)
Capacitores:
C1 - 470 nF - cerámico o poliéster
C2 - 100 nF - cerámico o poliéster
C - electrolítico de 1 a 2200 F según el tiempo deseado
C3 - 100 F x 16 V - electrolítico
Varios:
Placa de circuito impreso, terminales de conexión
b) Módulo de relé
Semiconductores:
Q1 - BC548 o equivalente - transistores NPN de uso general
D1 - 1N4148 o equivalente - diodo de uso general
Resistores: (1/8 W, 5%)
R1 - 1 k ohms
Varios:
K1 - relé de 12 V x 50 mA (Base DIL)
Placa de circuito impreso, hilos, soldadura,
c) Fuente de alimentación
Semiconductores:
CI-1 - 7812 - circuito integrado regulador de tensión
D1, D2 - 1N4002 o equivalente - diodos rectificadores de silicio
Capaciores:
C1 - 1 000 uF x 25 V - electrolítico
C2 - 100 uF x 16 V - electrolítico
Varios:
T1 - Transformador con primario según la red local y secundaria de 12 + 12 V x 1 A
Varios:
Cable de fuerza, fusible de 1 A con soporte, caja para montaje, hilos, soldadura, etc.







