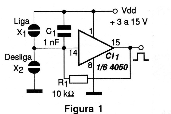
El circuito CMOS de la figura 1 utiliza uno de los seis buffers no inversores disponibles en un circuito integrado 4050.
Cuando tocamos en el sensor X1 el circuito se conecta colocando su salida en el nivel alto.
Cuando tocamos en X2 el circuito se apaga, pasando la salida al nivel bajo.
La salida puede proporcionar una corriente de algunos milioamperios (ver información) para excitación de etapas de mayor potencia.
El sensor está formado por dos planchas de metal que se deben tocar simultáneamente. La alimentación se puede realizar con tensiones de 3 a 15 V.
En la figura 2 tenemos una sugerencia de placa de circuito impreso para este montaje.
Observe que los demás búferes no inversores del 4050 están libres para otras aplicaciones, incluso otros conjuntos de sensores.
Lista de material
CI-1 - 4050 - circuito integrado CMOS
X1, X2 - sensores, ver texto
R1 - 10 k ohms x 1/8 W - resistor (marrón, negro, naranja)
C1 - 1 nF - capacitor de cerámica o poliéster
Varios: placa de circuito impreso, hilos, soldadura, etc.





