Este interesante circuito experimental consiste en un convertidor de temperatura-frecuencia que se puede utilizar en demostraciones o incluso para la transmisión de temperaturas a distancia a través de hilos o radio.
Utilizando un NTC como sensor, este circuito convierte una temperatura en frecuencia, tanto para la lectura remota por un frecuencímetro y para la producción de sonido en altavoz. El circuito se puede utilizar como un termómetro acústico para personas con problemas visuales, donde la temperatura ideal de algo supervisado será dada por un tono que se puede memorizar.
El montaje es simple y la alimentación tanto hecha por pilas como fuente de 9 a 12 V.
Como funciona
La base del circuito es un amplificador operacional 741 configurado para tener una ganancia ajustable de acuerdo con el rango de temperaturas medida. El sensor es un NTC, que es una resistencia cuya resistencia depende de la temperatura.
En la configuración, la ganancia tiene una característica dada por la figura 1.
Así, el ajuste de P2 se hará de acuerdo con las características del NTC, ajustado en P1. La señal del amplificador operacional controla un oscilador con dos transistores con un ajuste en P2. La reproducción de la señal de audio generada se realiza en un pequeño altavoz.
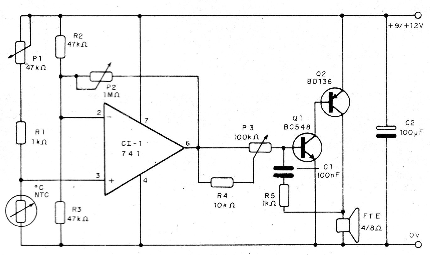
Montaje
En la figura 2 tenemos el diagrama completo del aparato.
La placa de circuito impreso para el montaje se muestra en la figura 3.
En el montaje, observe la posición del circuito integrado y de los transistores. El NTC puede ser de cualquier tipo con resistencias de 10 k a 100 k a temperatura ambiente.
Los resistores son de 1/8 W con un 5% de tolerancia y el altavoz es del tipo pequeño de 4 a 8 ohms. En la figura 4 tenemos una fuente de alimentación para el circuito.
En este circuito, el sonido se vuelve más agudo cuando la temperatura sube.
Podemos invertir la acción del circuito con el cambio de posición del NTC, como muestra la figura 5.
Prueba y uso
Para probar utilizar el calor de un soldador acercándolo (sin tocar) del sensor NTC. Los ajustes de los trimpots comprueban la acción del soldador sobre el sensor, recordando que posee una cierta inercia, lo que significa unos segundos para responder a las variaciones de calor.
Comprobado el funcionamiento es sólo utilizar el aparato.
Lista de material
CI-1 -741 - circuito integrado
Q1 - BC548 - transistores NPN de uso general
Q2-BC558 - transistores PNP de uso general
NTC - sensor - ver texto
P1 - 47k ohms - trimpot
P1 - 1 M ohms - trimpot
P3 - 100 k ohms - trimpot
FTE - 4 ó 8 ohms - pequeño altavoz
R1 - 1 k ohms - resistor - marrón, negro, rojo
R2, R3 - 47 k ohms - resistores - amarillo, violeta, naranja
R4 - 10 k ohms - resistor - marrón, negro, naranja
C1 -100 nF - cerámico o poliéster
C2 -100 uF x 16 V - electrolítico
Varios:
Placa de circuito impreso, fuente de alimentación, hilos, soldadura, etc.








