Los intervalos de tiempo largo se pueden obtener con este temporizador que publicamos en una revista antigua, pero que sigue siendo actual por los componentes utilizados.
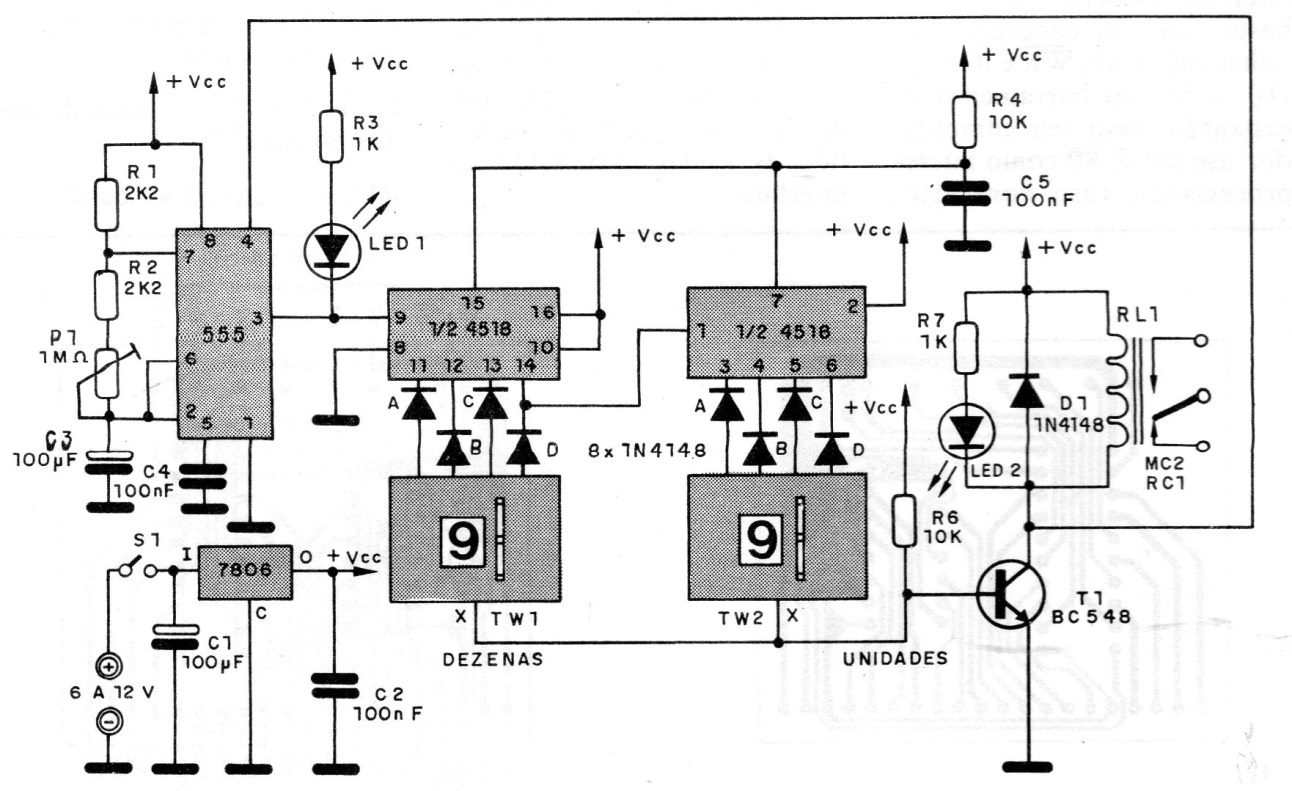
Los tiempos en este circuito se ajustan por llaves programadas BCD para intervalos que son múltiples del ciclo ajustado en el 555. Así, si ajusta el 555 para pulsos de 1 minuto, tendremos una temporización de 0 a 99 minutos.
Si las pulsos son de 10 minutos la temporización será de 0 a 990 minutos. El circuito es CMOS y puede ser alimentado por 6 o 12 V según el relé utilizado. Para 12 V se debe cambiar el regulador de tensión de entrada.
En la figura 1 tenemos el diagrama completo del temporizador.
En la figura 2 tenemos la placa de circuito impreso para el montaje.
Dada la baja corriente del circuito, el regulador de tensión no necesita disipador. La precisión del circuito dependerá de la precisión con la que se ajuste el oscilador con el 555.





