En respuesta a pedidos de diversos lectores, presentamos una fuente de alimentación de 25 A indicada para aparatos de uso automotriz, tales como transceptores, amplificadores, etc. Observamos que la alta corriente del circuito requiere cuidados especiales con las conexiones que deben usar senderos anchos en la placa de circuito impreso e hilos gruesos en las interconexiones. Es muy importante también la correcta instalación de los transistores en los disipadores de calor.
Las fuentes de alimentación de alta corriente que pueden suministrar energía para aparatos de uso automotriz de alto consumo no se encuentran con facilidad. Muchos lectores han enviado solicitudes de este tipo de proyecto, con la necesidad de alimentar aparatos con hasta más de 20 A.
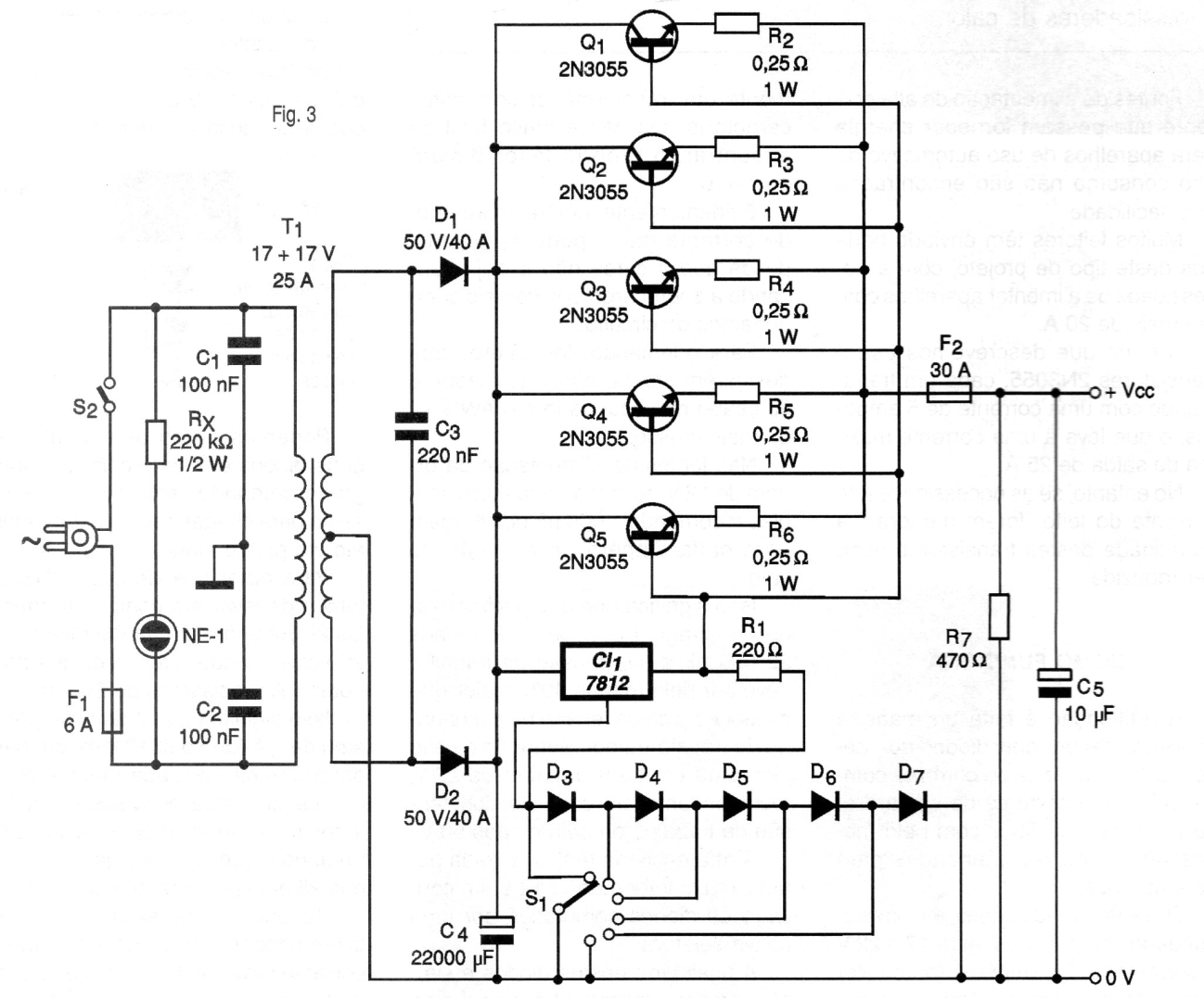
La fuente que describimos utiliza 5 transistores 2N3055, cada uno trabajando con una corriente de 5 ampères, lo que lleva a una corriente máxima de salida de 25 A. Sin embargo, si las necesidades de corriente del reproductor son menores, la cantidad de estos transistores puede ser reducida.
COMO FUNCIONA
La rectificación se realiza de manera convencional por dos diodos que deben tener capacidad de corriente compatible con la corriente de salida drenada. Diodos de 50 V con al menos 40 A, se recomiendan para esta aplicación.
El transformador debe tener un secundario con tensiones entre 17 y 22 V y corriente de 25 amperios (o el valor deseado por el lector). Como normalmente un transformador con estas características no es muy fácil de encontrar, el propio lector deberá enrollarlo.
Evidentemente, un transformador de corriente mayor puede ser usado, siempre que la carga no la exija causando la sobrecarga de los demás componentes del circuito. Para la orientación de los lectores que deseen enrollar el transformador, el hilo utilizado en el secundario es el AWG 14 o más grueso.
En las fuentes de alimentación del orden de 12 V de salida, una regla simple recomienda 1 000 μF de filtrado para cada amperio de corriente de salida. Esto significa que el condensador utilizado en el filtrado debe tener al menos 22 000 μF y su tensión de trabajo debe ser al menos un 40% mayor que el valor de pico de la tensión secundaria del transformador. Suponiendo el caso peor, para un transformador de 22 V, recomendamos un condensador con tensión de trabajo de al menos 50 V.
La referencia de tensión es dada por un circuito integrado 7812 y un conjunto de diodos conmutados por una llave selectora.
La finalidad de estos diodos es simple de ser explicada: hay una caída de tensión del orden de 0,6 V en los empalmes entre emisor y base de los transistores de potencia. Esto significa que si se utiliza directamente el 7812 en la referencia, la salida de tensión será de 12 - 0,6 = 11,4 V.
Como el normal en las baterías de coche es 13,6 V será interesante tener un medio de obtener un poco más en la salida. Conectando un diodo polarizado en el sentido directo en la entrada de referencia del 7812 sumamos 0,6 V a la salida; dos diodos 1,2 V y así sucesivamente, como se muestra en la figura 1.
Podemos entonces añadir algunos diodos en serie con este integrado sumando tensión suficiente a la salida para llegar a los 13,8 V, o incluso un poco más. Para obtener 5 A de cada 2N3055 tenemos que tener en cuenta su ganancia. Los 2N3055 tienen una ganancia mínima de 20 veces, lo que quiere decir que para obtener 5 A necesitamos 250 mA.
Esto significa que 4 de ellos ya necesitan 1 A (que el 7812 proporciona) para dar la corriente deseada, mostrando en la práctica que será conveniente que el lector pruebe sus 2N3055 y elija unidades que hayan ganado mayor que 25 para poder tener 5 A de cada uno. Si, por un azar sus 2N3055 están todos con la ganancia mínima, la corriente máxima de su fuente será de 20 A, aunque el transformador sea dimensionado para suministrar más corriente.
Recordamos que los 2N3055 tienen una ganancia máxima de 80 veces. Si todos tienen aumentos altos en este proyecto, el 7812 necesitará proporcionar menos corriente que se calienta menos y hasta requiere un disipador de calor más pequeño.
Para garantizar que todos los 2N3055 sean recorridos por la misma corriente, habiendo así una distribución del calor generado, los resistores de emisor son importantes.
Estos resistores de 0,25 ohms x 1 W no son muy fáciles de encontrar, pero existe una alternativa: conectar 4 resistores de 1 ohmios x 1 W de alambre en paralelo, de acuerdo con la figura 2.

MONTAJE
En la figura 3 tenemos el diagrama completo de la fuente de alimentación.
La disposición de los componentes usando una placa de circuito impreso se muestra en la figura 4.
Las conexiones de la placa a los colectores de los transistores deben ser hechas con cable 14 y de la misma forma en la salida del circuito.
Los transistores y el circuito integrado deben montarse en buenos radiadores de calor. La pasta térmica se debe aplicar entre los transistores y los disipadores para garantizar la máxima transferencia de calor. Recomendamos el uso de los transistores 2N3055 de envolturas pesadas (no de aluminio), que tienen mejor calidad.
Otra recomendación importante es montar los radiadores de calor de los transistores del lado externo de la caja, como sugiere la figura 5.
Evidentemente, esta caja debe tener dimensiones compatibles con el tamaño de los componentes usados. Lo que más influye en esta elección es justamente el transformador.
En la entrada tenemos un filtro que elimina los transitorios que puedan afectar el funcionamiento de equipos de audio o radio. También tenemos una lámpara neón opcional para indicar que el aparato está encendido.
El fusible de 6 A en la entrada es importante.
Recordamos que para una fuente de 25 A x 12 V, lo que corresponde a una potencia de 300 W, en la red de 110 V esto requerirá una corriente de entrada poco mayor que 3 A. Así, un fusible de 6 a 8 A consiste en una protección satisfactoria para el aparato.
Una opción para el caso de no encontrar la llave selectora de tensiones es hacer la programación por puentes en la propia placa de circuito impreso. Sólo hay que fijar la tensión de salida deseada por la posición de los puentes.
El tipo de conexión utilizado en la salida depende del aparato que va a ser alimentado.
Los diodos de referencia del 7812 son de uso general, pudiendo ser empleados los 1N4148, 1N4002 o equivalentes. El resistor junto a este componente no es crítico, pudiendo asumir valores entre 220 ohms y 470 ohms.
PRUEBA Y USO
Para probar la fuente conecte a su salida una lámpara de faro de automóvil para servir de carga y un multímetro. Mida la tensión de salida después de encender el aparato sin la lámpara como carga, y luego con la lámpara.
Ajuste la llave o los puentes para obtener la tensión deseada. Observe por algún tiempo si alguno de los transistores de potencia se calienta demasiado. Si esto ocurre, vea si está montado correctamente en su disipador de calor.
Comprobado el funcionamiento, es sólo usar la fuente respetando sus limitaciones y observando la polaridad de la conexión de la carga. Si necesita más corriente que 25 A puede añadir uno o dos 2N3055 a este circuito, pero debe elegir unidades que hayan ganancia alta, de al menos 50.
Con eso usted garantiza que la corriente de 1 A de la salida del 7812 puede hacer la excitación de todos los transistores de modo que cada uno proporcione una corriente de 5 A.
LISTA DE MATERIAL
Semiconductores:
D1, D2 - 50 V x 40 A - diodos rectificadores
D3 a D7 - 1N4148 o 1N4002 - diodos rectificadores o de uso general
Q1 a Q5 - 2N3055 - transistores NPN de alta potencia
CI1 - 7812 - circuito integrado regulador de tensión
Resistores:
RX - 220 k / ½ W
R1 - 220 a 470 ohms x ½ W
R2 a R6 - 0,25 ohms x 1 W - resistores de hilo
R7 - 470 ohms x 2 W
Capacitores:
C1, C2 - 100 nF x 400 V - poliéster
C3 - 220 nF x 100 V - poliéster
C4 - 22 000 μF / 50 V - electrolítico
C5 - 10 μF / 25 V - electrolítico
Varios:
T1 - Transformador con primario según la red local y secundaria de 17 + 17 a 22 + 22 V (con toma central) y corriente de 25 A.
F1 - 6 a 8 A - fusible
F2 - 30 A - fusible
S1 - Llave selectora 1 polo x 5 posiciones o puentes - ver texto
Placa de circuito impreso, cable de alimentación, soporte para los fusibles, radiadores de calor para el circuito integrado y transistores, bornes de salida, hilos, soldadura, pasta térmica.







