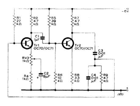
La frecuencia de este oscilador, que se encuentra en el manual de referencia de transistores de 1960, está alrededor de 3,5 kHz. El circuito genera una señal senoidal cuya linealidad puede ajustarse en RV3.

La frecuencia de este oscilador, que se encuentra en el manual de referencia de transistores de 1960, está alrededor de 3,5 kHz. El circuito genera una señal senoidal cuya linealidad puede ajustarse en RV3.
