Uno de los circuitos reguladores de tensión más tradicionales, bastante antiguos, pero aún en uso frecuente incluso en equipos fabricados hoy, es el regulador de tensión "723".
Si el lector necesita una buena fuente regulada para la bancada, el circuito con el 723 es una buena sugerencia.
Este circuito integrado posee una serie de recursos que, con algunos componentes externos, permiten la elaboración de eficientes fuentes de alimentación en una amplia gama de corrientes y tensiones.
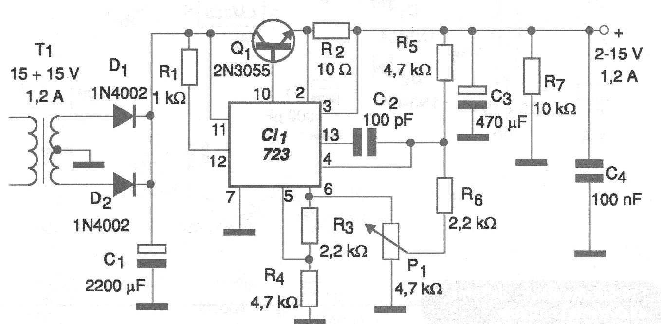
En la figura 1 tenemos una fuente de alimentación típica de alta corriente usando este circuito integrado como base.
Las características de esta fuente de alimentación son:
• Tensión de salida ajustable entre 2 y 15 V
• Corriente máxima de salida 1,2 A
Como podemos ver, el transistor 2N3055, que debe ser dotado de disipador de calor, hace el control de la corriente principal, siendo la tensión suministrada como referencia por el circuito integrado 723.
En la figura 2 tenemos una sugerencia de placa de circuito impreso para el montaje de esa fuente de alimentación.
El secundario del transformador debe proporcionar una tensión de 15 + 15 V con 1,2 A y primario de acuerdo con la red de energía.
Para el filtrado, el capacitor C1 debe tener una tensión de trabajo de al menos 25 V.
Lista de material
CI-1 - LM723 - circuito integrado regulador de tensión
Q1 - 2N3055 - transistores NPN de potencia
D1, D2 - 1N4002 - diodos rectificadores
T1 - transformador - 15 + 15 V x 1,2 A
F1 - 1 A - fusible
R1 - 1 k ohms x 1/8 W - resistor
R2 - 10 ohms 5 W - resistor de hilo
R3, R6 - 2,2 k ohms x 1/8 W - resistor
R4, R5 - 4,7 k ohms x 1/8 W - resistor
R7 - 10 k ohms x 1/8 W - resistor
P1 - 4,7 k ohms - trimpot
C1 - 2 200 uF x 25 V - capacitor electrolítico
C2 - 100 pF - capacitor de cerámica
C3 - 470 uF x 16 V - capacitor electrolítico
C4 - 100 nF- capacitor cerámico
Varios:
Placa de circuito impreso, radiador de calor para Q1, hilos, soldadura, cable de alimentación, caja para montaje, etc.





