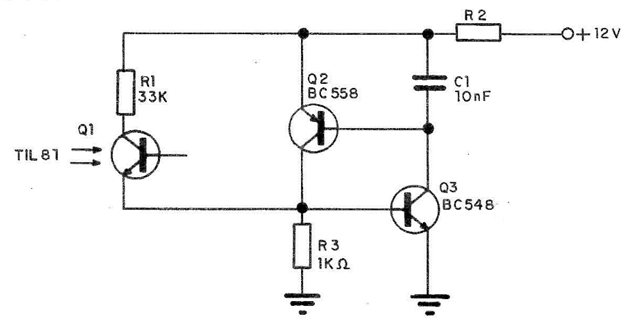
El circuito de la figura es muy interesante ya que simula un SCR disparado por la luz.

Cuando la luz cae sobre el fototransistor, conduce y retroalimenta a través de Q1 el interruptor regenerativo. Con este circuito, podemos obtener una característica de resistencia negativa, lo que hace posible su uso para activar SCR y otros dispositivos.
Material:
Q1 – Fototransistor común
Q2 – BC558 – transistor PNP de proposito general
Q3 – BC548 – transistor NPN de proposito general
R1 – 33 k ohm – resistor
R2 – carga – 100 ohm a 2k2
R3 – 1 k ohm – resistor
Diversos:
Placa de circuito impreso, fuente de alimentación, etc.



