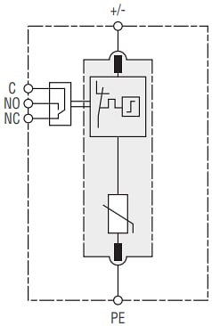
Los dispositivos de protección contra sobretensiones (SPD) de la serie 1430 de Bourns son dispositivos de CC IEC Clase I + Clase II diseñados para proteger los sistemas de energía contra daños debidos a sobretensiones, rayos y transitorios, hasta los límites nominales. Estos SPD montables en riel DIN protegen sistemas de CC que funcionan hasta 1500 VCC y proporcionan una clasificación de corriente máxima de sobretensión de rayo de 80 kA (8/20 μs) por polo. El diseño de tecnología de varistor de óxido metálico (MOV) de alta energía con un seccionador térmico proporciona una respuesta térmica rápida y desconexiones seguras. Los SPD Bourns serie 1430 cuentan con un indicador de estado, capacidad de señalización remota y cumplimiento de RoHS. Las aplicaciones incluyen sistemas fotovoltaicos, energía de CC y estaciones de carga de vehículos eléctricos (EV).



