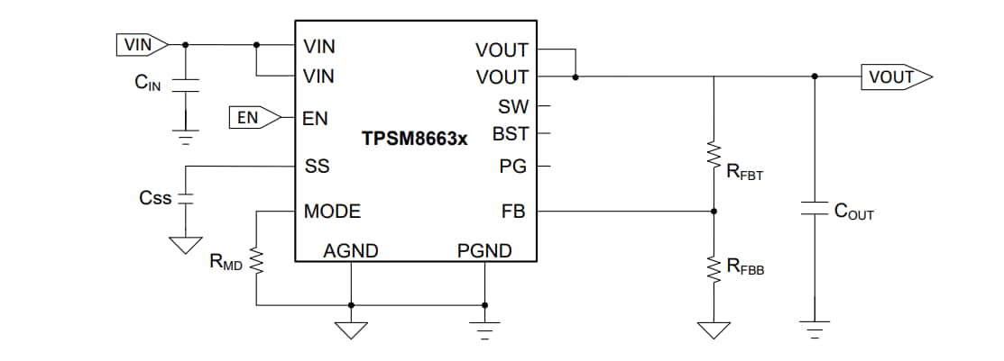
Los módulos de alimentación reductores síncronos TPSM8663x de Texas Instruments ofrecen alta eficiencia, entrada de alta tensión y facilidad de uso. Los módulos integran MOSFET de potencia, un inductor blindado y pasivos básicos, lo que reduce el tamaño del diseño. El TPSM8663x tiene un amplio rango de tensión de entrada operativa de 4,5 V a 28 V, lo que lo hace ideal para sistemas alimentados por rieles de bus de alimentación de 12 V, 19 V y 24 V. Los dispositivos admiten hasta 6 A de corriente de salida continua, cuya tensión de salida está entre 0,6 V y 28 V. 13V El TPSM8663x utiliza el modo de control DCAP3 para proporcionar una respuesta transitoria rápida, buena regulación de línea y carga, sin necesidad de compensación externa, y admite salida de resistencia en serie equivalente baja (ESR) como MLCC.




