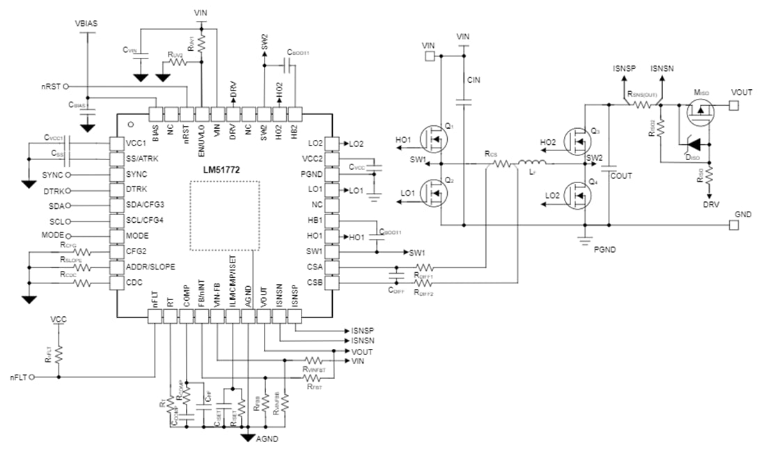
El controlador reductor-boost de cuatro interruptores LM51772 de Texas Instruments proporciona un voltaje de salida regulado si la tensión de entrada es mayor, igual o menor que el voltaje de salida establecido. En el modo de ahorro de energía, el dispositivo admite una eficiencia muy alta en todo el rango operativo de salida. El LM51772 funciona a una frecuencia de conmutación fija, que se puede configurar mediante el pin RT/SYNC. En PWM forzado, la frecuencia de conmutación permanece constante durante la operación de reducción, impulso y reducción-impulso. El pin de compensación externo permite una respuesta transitoria muy rápida para diferentes aplicaciones. El dispositivo mantiene una pequeña onda de transición de modo en todos los modos de funcionamiento. El voltaje de salida y la configuración del dispositivo se pueden programar dinámicamente a través de la interfaz I2C integrada. El sensor de corriente de lado alto integrado opcional presenta una limitación precisa de la corriente de salida o entrada. El límite de corriente promedio del Texas Instruments LM51772 también se puede configurar a través de la interfaz I2C.




