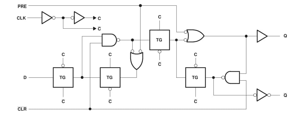
Los flip-flops SNx4LVC74A/SNx4LVC74A-Q1 de Texas Instruments integran dos flip-flops tipo D accionados por borde positivo en un dispositivo conveniente. El SN54LVC74A está diseñado para funcionamiento con VCC de 2,7 V a 3,6 V, y el SN74LVC74A está diseñado para funcionamiento con VCC de 1,65 V a 3,6 V. El TI SNx4LVC74A-Q1 tiene certificación AEC-Q100 para aplicaciones automotrices.




