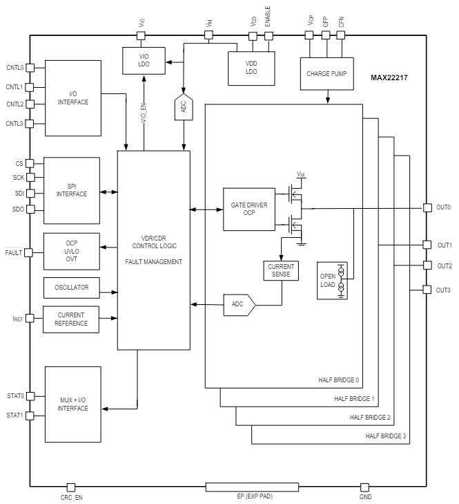
Los controladores de solenoide MAX22217 de Analog Devices Inc. están diseñados para controlar cargas inductivas como válvulas de solenoide de encendido y apagado, motores de CC, válvulas proporcionales, válvulas biestables y relés. Estos controladores están integrados con cuatro semipuentes programables de 36 V. Los controladores de solenoide MAX22217 funcionan en un rango de temperatura ambiente de -40 °C a 125 °C. Estos controladores integran funciones diseñadas para optimizar el control del accionamiento por solenoide y motor de CC. El MAX22217 tiene circuitos de protección que incluyen protección contra sobrecorriente (OCP), protección contra sobretemperatura (OTP) y bloqueo por bajo voltaje (UVLO). Estos controladores se ofrecen en paquetes TQFN32 de 5 mm x 5 mm. Los controladores MAX22217 son ideales para relés y válvulas de solenoide de encendido y apagado, motores de CC, válvulas proporcionales, válvulas de solenoide de bloqueo biestables, interfaz de salida digital y frenos de motor electromecánicos.




