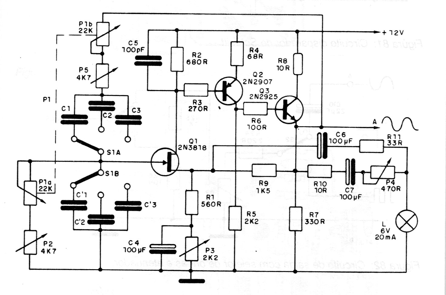
Este generador de audio que produce señales tanto rectangulares como senoidales fue encontrado en una publicación de los años 80. Los componentes usados son todavía comunes, pudiendo ser utilizado el BF245 para el FET. El circuito genera señales en el rango de 20 Hz a 20 kHz. La fuente de alimentación debe tener un buen filtrado.




