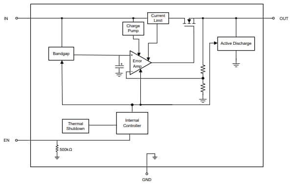
Los reguladores lineales de baja caída (LDO) TLV770 de Texas Instruments están diseñados para proporcionar una fuente de voltaje con un PSRR alto de 55 dB (1 MHz). Estos reguladores proporcionan un rendimiento transitorio de carga y línea que cumple con los requisitos de varios circuitos. Los reguladores LDO TLV770 proporcionan un rango de tensión de salida de 0,6 V a 3,3 V y una precisión de voltaje de salida del 2 %. Estos reguladores incluyen un circuito interno de arranque suave para evitar una corriente de arranque excesiva y reducir la caída de voltaje de entrada durante el arranque. Los reguladores LDO TLV770 funcionan dentro de un rango de temperatura de -40 °C a 125 °C y un rango de tensión de 1,4 V a 5,5 V. Estos reguladores LDO se utilizan en teléfonos inteligentes, tabletas, decodificadores, consolas de juegos, módulos de cámara y medios de transmisión. jugadores.




