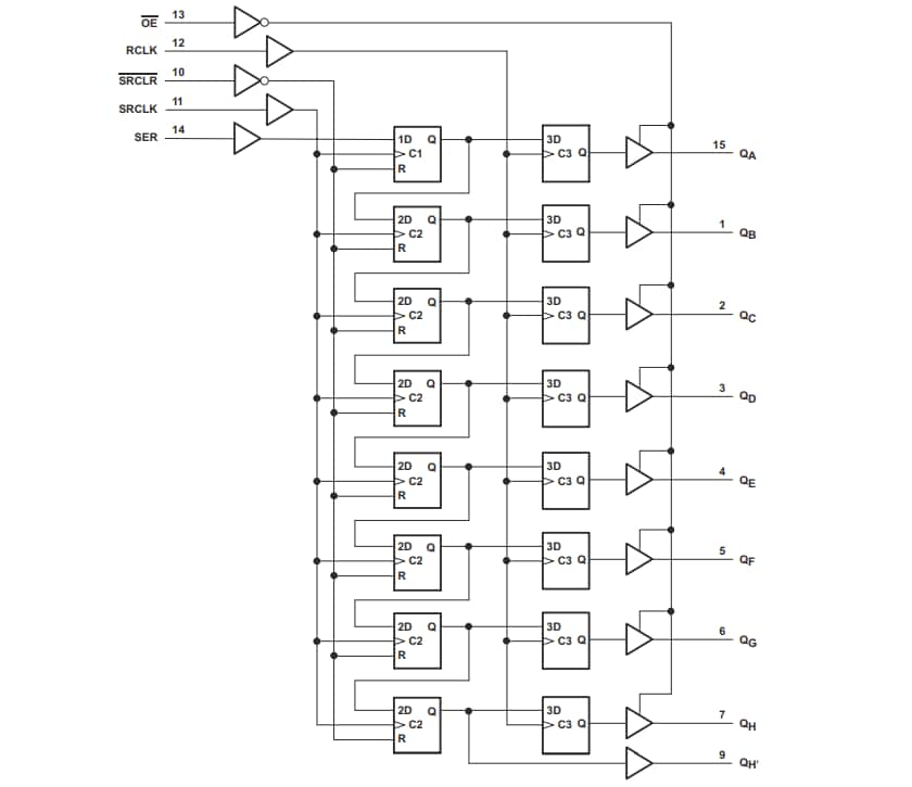
Los registros de desplazamiento de contador SN74AHC595/SN74AHC595-Q1 de Texas Instruments contienen un registro de desplazamiento de entrada en serie y salida en paralelo de 8 bits que proporciona un registro de almacenamiento tipo D de 8 bits. El registro de almacenamiento tiene salidas paralelas de 3 estados. Se proporcionan relojes separados para los registros de turnos y almacenamiento. El TI SN74AHC595/SN74AHC595-Q1 tiene una entrada de borrado de anulación directa (SRCLR), una entrada en serie (SER) y una salida en serie para conexión en cascada. Cuando la entrada de habilitación de salida (OE) es alta, todas las salidas excepto QH′ están en el estado de alta impedancia.




