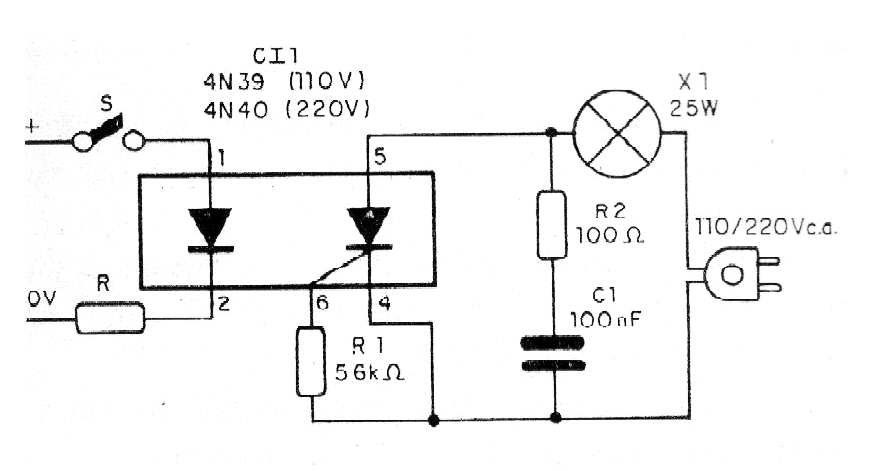
En realidad, este montaje sirve para mostrar cómo funciona un acoplador óptico. En este tipo de componente tenemos un LED que, al ser energizado emite luz que dispara un SCR. Este SCR se enciende entonces una lámpara incandescente de hasta 25 W conectada a la red de energía.
Podemos utilizar este circuito en demostraciones o como paso de accionamiento de lámparas de advertencia en alarmas, temporizadores y otros tipos de circuitos electrónicos.
Para encender la lámpara de 110 V o 220 V sólo necesitamos unos pocos volts que activan el LED. Para 5 y 6 V utilice un resistor de 330 ohms (R), para 9 V un resistor de 820 ohms y para 12 V un resistor de 1k. El circuito completo del sistema de encendido se muestra en la figura 1.
El montaje se puede realizar en una pequeña placa de circuito impreso, como se muestra en la figura 2.
Si bien el sector de control del LED está aislado, el sector de la lámpara incandescente no está aislado, pudiendo causar que toque alguna de sus partes.
Observamos finalmente que el acoplador óptico no es un componente fácil de obtener.
Lista de material
CI-1 - 4N39 (110 V) o 4N40 (220 V) - acoplador óptico con SCR
R - ver el texto
R1 - 56 k ohms x 1/8 W - resistor - verde, azul, naranja
R2 - 100 ohms x 1/8 W - resistor - marrón, negro, marrón
C1 -100 nF - capacitor de poliéster para 100 V o más
S - Interruptor simple
X1 – Lámpara incandescente de 5 a 25 W - 110 V o 220 V según la red
Varios: placa de circuito impreso, zócalo para la lámpara, cable de alimentación, hilos, soldadura,





