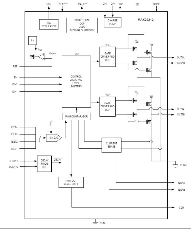
Analog Devices Inc.e Maxim Integrated - controladores de motor de CC MAX22212 integra un puente MAX H de alta corriente de 36 V y 7,6 A para accionar un motor de CC con escobillas o la mitad de un motor paso a paso. Los FET de puente H integrados exhiben una impedancia excepcionalmente baja, lo que resulta en una alta eficiencia de accionamiento y una mínima generación de calor. El RON total típico (que comprende el lado alto y el lado bajo) es 0,125 Ω. El control de la modulación de ancho de pulso (PWM) del puente H se logra a través de tres entradas lógicas: DIN1, DIN2 y EN. Los controladores MAX22212 cuentan con una regulación precisa de la unidad de corriente (CDR) para limitar la corriente de arranque de un motor de CC con escobillas o controlar la corriente de fase para el funcionamiento paso a paso. Estos controladores admiten cuatro métodos de decaimiento diferentes: decaimiento lento, decaimiento rápido y dos modos de decaimiento mixto. Las aplicaciones típicas incluyen controladores de motores paso a paso, controladores de motores de CC con escobillas, controladores de solenoides y válvulas bloqueadas.
Analog Devices Inc.e Maxim Integrated - controladores de motor de CC MAX22212 integra un puente MAX H de alta corriente de 36 V y 7,6 A para accionar un motor de CC con escobillas o la mitad de un motor paso a paso. Los FET de puente H integrados exhiben una impedancia excepcionalmente baja, lo que resulta en una alta eficiencia de accionamiento y una mínima generación de calor. El RON total típico (que comprende el lado alto y el lado bajo) es 0,125 Ω. El control de la modulación de ancho de pulso (PWM) del puente H se logra a través de tres entradas lógicas: DIN1, DIN2 y EN. Los controladores MAX22212 cuentan con una regulación precisa de la unidad de corriente (CDR) para limitar la corriente de arranque de un motor de CC con escobillas o controlar la corriente de fase para el funcionamiento paso a paso. Estos controladores admiten cuatro métodos de decaimiento diferentes: decaimiento lento, decaimiento rápido y dos modos de decaimiento mixto. Las aplicaciones típicas incluyen controladores de motores paso a paso, controladores de motores de CC con escobillas, controladores de solenoides y válvulas bloqueadas.





