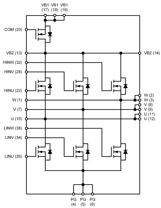
Noviembre de 2016 - Mouser Electronics está ofreciendo los nuevos módulos de potencia de ON Semiconductor STK984-190E para el control de motores de hasta 300 W con MOSFETs a los 12 V. Los Sistemas tienen MOSFETs de 40 V con 30 A de corriente y un Rdson de sólo el 9,5 megohmios.
Clique aquí para ver las hojas de datos




