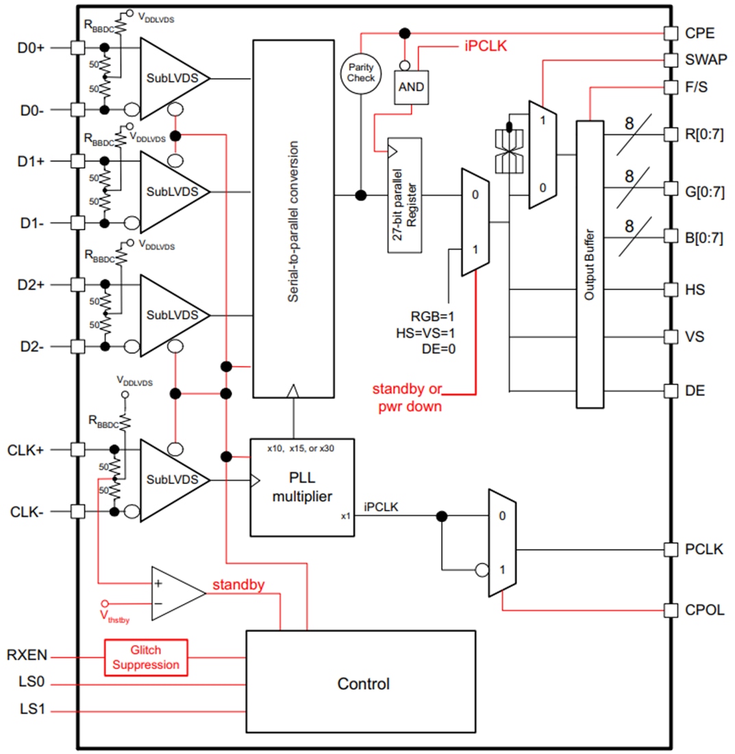
Texas Instruments SN55LVD302 receptor de interfaz serial de pantalla
Disponible a través de Texas Instruments, este dispositivo admite interfaces de video RGB de 24 bits y es compatible con FlatLink 3G. Aplicable en dispositivos portátiles, tabletas, teléfonos celulares y más, tiene 3 modos de operación.




