Este circuito es un oscilador de audio de desplazamiento de fase y puede generar señales alrededor de 1 KHz, según la tolerancia de los componentes utilizados. Podemos usarlo como inyector de señal o como base para un instrumento de prueba de amplificadores de audio, ya que la salida tendrá una amplitud de alrededor de 6V cuando alimentamos el circuito con tensiones de 15 a 18 V.
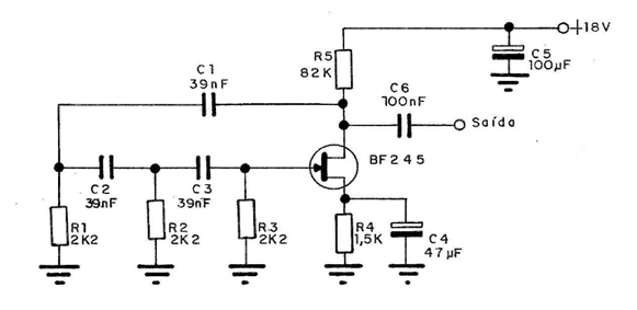
En la figura tenemos el circuito oscilador, que no es más que un amplificador con FET con retroalimentación positiva.

La red RC formada por 3 capacitores iguales y 3 resistores iguales, determina la velocidad de realimentación y, por tanto, la frecuencia. Esta red también invierte la fase de la señal 180 grados (cada RC cambia 60 grados) lo cual es necesario para la retroalimentación positiva. Los condensadores C1, C2 y C3 se pueden cambiar para obtener otras frecuencias, siendo la fórmula:
f = 1/(10,8 x R x C)
Las capacitancias deben estar en farads y las resistencias en ohms para obtener la frecuencia en hercios.
Material:
Q1 – BF245 o MPF102 – FET de juntura
R1, R2, R3 – 2k2 ohms – resistores
R4 – 1k5 ohms – resistor
R5 – 82 k ohms – resistor
C1, C2, C3 – 39 nF – capacitores cerámicos o poliéster
C4 – 47 uF – electrolítico
C5 – 100 nF – capacitor cerâmico o electrolítico
Diversos:
Placa de circuito impreso, fuente de alimentación o bateria, etc.



