Este circuito genera señales rectangulares ricas en armónicos para pruebas de circuitos de audio como amplificadores, y también radios de ondas medias, cortas y FM.
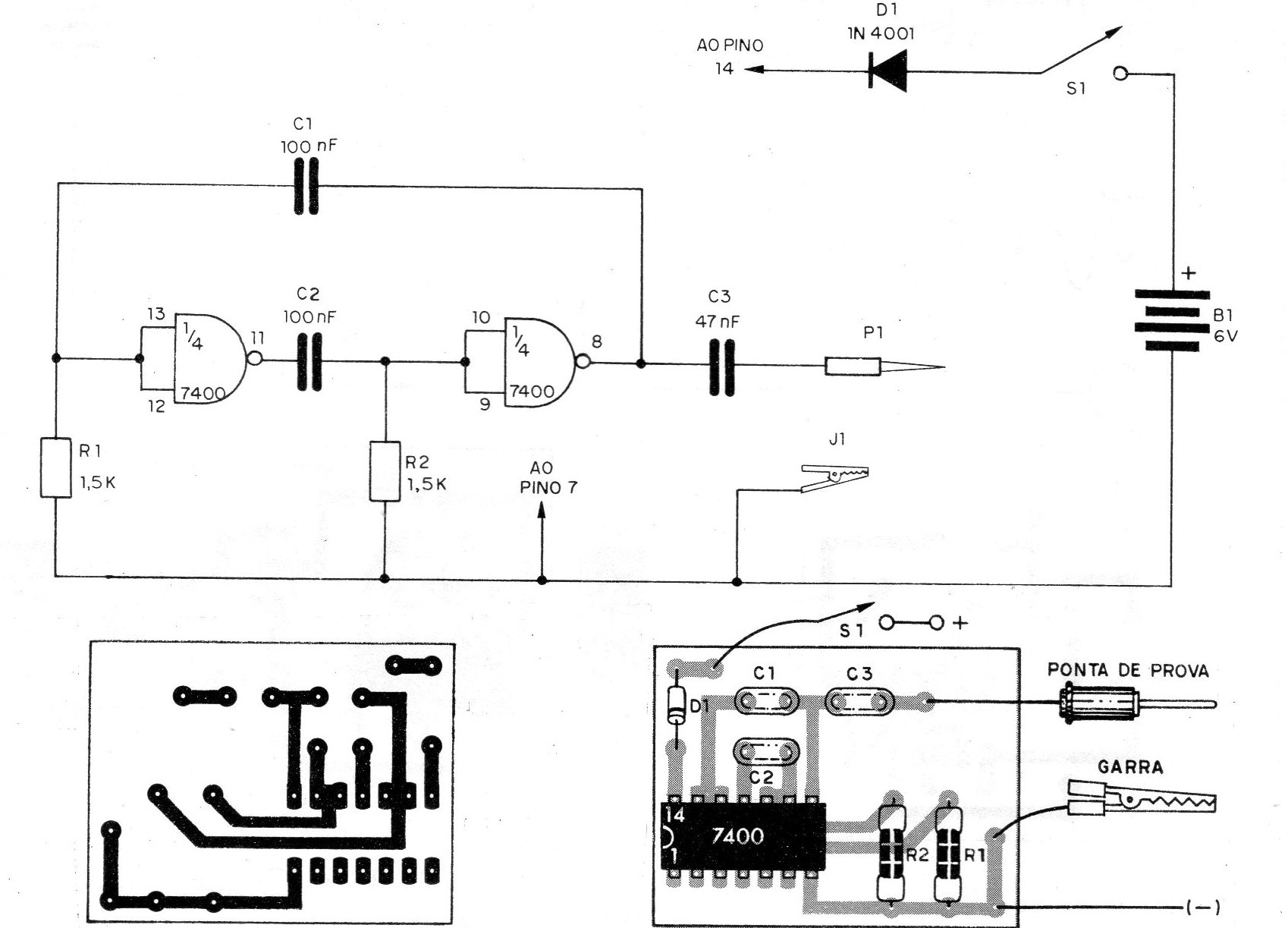
La base de este circuito también es un circuito integrado 7400 formado por 4 puertos NAND de dos entradas que funciona como multivibrador.
En la figura 1 tenemos el diagrama y la placa para el montaje.
La señal rectangular producida por este circuito en la banda de audio tiene armónicas que se extienden hasta la banda de ondas medias e incluso ondas cortas permitiendo su utilización en la calibración de receptores.
La frecuencia de funcionamiento del circuito se determina en este caso por el condensador.
Su valor se puede disminuir para obtener un sonido más agudo o aumentado para obtener un sonido más grave.
El montaje también se puede realizar en una pequeña placa de circuito impreso, observando la posición del integrado de acuerdo con sus terminales.
La alimentación viene de 4. pilas que se conectan en serie con un diodo de silicio el cual es responsable de una caída de tensión del orden de 0,6 V.
Con ello, a partir de los 6 V podemos obtener una tensión del orden de 5,4V que está dentro de los límites de operación del integrado TTL.




