Esta fuente es ideal para sustituir 4 pilas en aparatos que necesiten 6 V de alimentación bajo corrientes hasta unos 500 mA. La corriente máxima depende únicamente del transformador utilizado. La fuente se estabiliza y se protege.
Describimos el montaje de una simple fuente de 6 V o eliminador para pilas AA, AAA y hasta medias en aparatos comunes.
La fuente también servirá para su banco para alimentar sus proyectos experimentales o incluso la reparación.
El transformador debe tener bobinado primario según la red de energía y secundaria de 9 + 9 V a 12 + 12 V con corriente entre 200 y 500 mA, según el máximo deseado en la salida.
El circuito integrado debe tener un pequeño disipador de calor que consiste en una placa de metal doblada, sujeta por un tornillo con tuerca.
Para la salida se pueden utilizar bornes rojo y negro, o incluso hilos con garras para conexión al aparato alimentado.
El conjunto se puede montar en una pequeña caja de plástico.
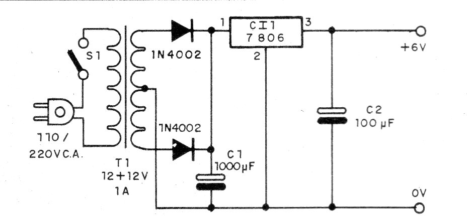
En la figura 1 tenemos el diagrama completo de la fuente.
El montaje se puede realizar en un pequeño puente de terminales aislados, como se muestra en la figura 2.
En el montaje, observe la polaridad de los diodos y la posición del circuito integrado.
Los capacitores son de 16 V o más.
Nota: algunos circuitos integrados 7806 de fabricación moderna requieren capacitores de salida menores que 10 uF- consulte el datasheet si tiene dudas.
Lista de material
D1, D2 - Diodos rectificadores
T1 - Transformador - ver texto
CI-1 - 7806 - circuito integrado regulador de tensión
S1 - Interruptor simple
C1 - 1 000 uF - capacitor electrolítico
C2 - 10 a 100 uF - capacitor electrolítico
Varios:
Cable de fuerza, caja para montaje, hilos, soldadura, etc.





