Este circuito de sólo 3 componentes hace que una pequeña lámpara parpadee con el sonido de su amplificador. El circuito se puede utilizar con amplificadores de 2 a 100 W de potencia sin problemas.
Para las Ferias de Ciencias y demostraciones, servirá para mostrar cómo el sonido se puede convertir en luz en una experiencia de transformación de energía o también para explicar el principio de funcionamiento de los transformadores y las lámparas de neón.
Un detalle importante de este circuito es que la energía que utiliza para funcionar viene del propio amplificador y por lo que no necesita ser conectado a pilas u otra fuente de energía.
FUNCIONAMIENTO
Las variaciones de corriente que corresponden al sonido se aplican al devanado de baja tensión de un pequeño transformador.
De este modo ocurre la inducción de alta tensión en su otro devanado y esta tensión tiene las mismas variaciones del sonido que se está reproduciendo.
Esta tensión es suficiente para encender una pequeña lámpara de neón que necesita al menos 80 V para ello.
De esta forma la pequeña lámpara parpadeará al mismo ritmo de la música que se ejecuta en el sistema de sonido.
MONTAJE
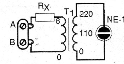
En la figura 1 tenemos el diagrama completo del sistema de micro luz rítmica neón.

En la figura 2 tenemos el aspecto real del montaje.

El transformador y el resistor se pueden instalar en el interior de una pequeña caja de plástico.
El valor del resistor depende de la potencia del amplificador que va
se utilizará, de acuerdo con la siguiente tabla:

Si su sistema es estereofónico, puede montar una luz rítmica como esta para cada canal.
El transformador es de cualquier tipo utilizado en fuentes de alimentación con bobinado primario de 110 V o 220 V y secundario con cualquier tensión entre 4 y 12 V y corriente entre 50 mA y 300 mA.
La lámpara de neón es común, NE-2H o equivalente.
PRUEBA Y USO
El circuito se enciende en los altavoces o en las salidas de cada canal del amplificador.
Ajuste el volumen del amplificador para que la lámpara parpadeará acompañando el sonido reproducido.
QUÉ EXPLICAR
Compruebe cómo funciona el transformador y explique cómo aumenta la tensión de salida del amplificador para poder alimentar una lámpara de neón que necesita 80 V para encender.
Explique por qué se producen las variaciones de brillo con los sonidos.
SUGERENCIAS
Si coloca dos electrodos para que una persona sujeta, y los conecte al punto en que está la lámpara de neón (la lámpara de neón debe ser retirada) la transmisión de la sensación sonora por la piel en forma de choques.
Esta sensación debe controlarse cuidadosamente con el volumen del amplificador.
LISTA DE MATERIAL
T1 - Transformador - ver texto
NE1 - lámpara de neón común
Rx - resistor - ver texto
Varios:
Caja para montaje, puente tipo antena / tierra, hilos, soldadura, etc.



