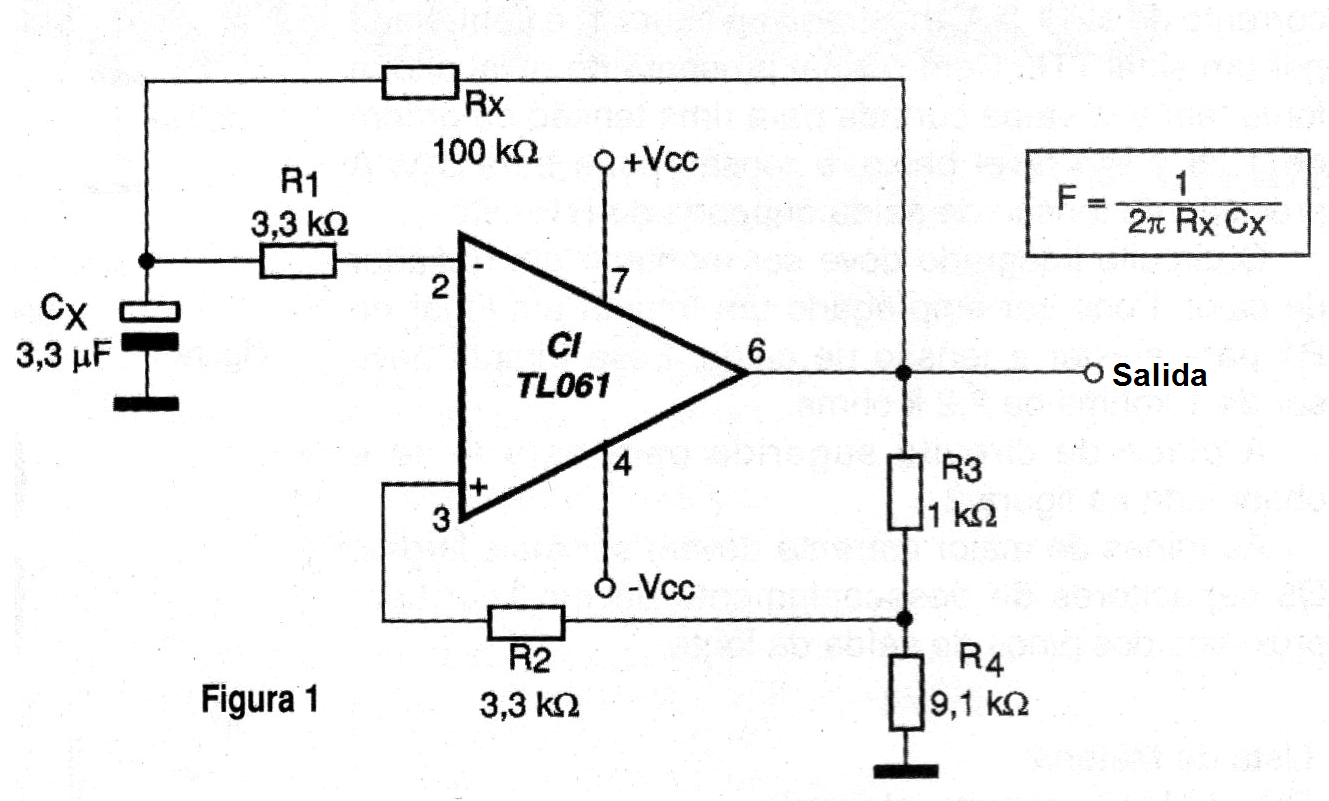
El oscilador de relajación con amplificador operacional mostrado en la figura 1 genera una señal de frecuencia muy baja determinada por Cx y Rx.
Junto al diagrama damos la fórmula que permite calcular estos componentes para otras frecuencias.
El amplificador operacional debe ser alimentado con una fuente simétrica y la salida es rectangular.
La fuente puede tener tensiones entre 3 y 12 V típicamente. Otros amplificadores operacionales equivalentes se pueden utilizar.
En la figura 2 tenemos una sugerencia de placa de circuito impreso para el montaje del oscilador.
Lista de material
CI - TL7061 - amplificador operacional LinMOS
R1, R2 - 3,3 k ohms x 1/8 W - resistor
R3 - 1 k ohms x 1/8 W - resistor
R4 - 9,1 k ohms x 1/8 W - resistor
Cx - 3,3 uF x 12 V - ver texto - capacitor electrolítico
Varios:
Placa de circuito impreso, fuente de alimentación simétrica, hilos, soldadura, etc.





