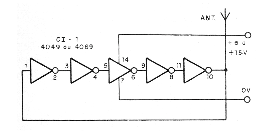
Este transmisor opera entre 100 kHz y 4 MHz, utilizando sólo un componente: un circuito integrado CMOS. Por supuesto, tenemos la antena y la fuente de alimentación de 5 V a 12 V como elementos adicionales.
Como se puede ver en el diagrama, las puertas inversoras de un circuito integrado CMOS 4049 se utilizan para formar un oscilador en anillo, donde la frecuencia es determinada por dos factores: la tensión de alimentación y el tiempo de tránsito de la señal por el circuito integrado. En la figura 1 tenemos el diagrama del transmisor.
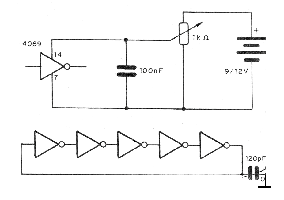
El montaje se puede realizar en una pequeña matriz de contactos. Una manera simple de variar la frecuencia consiste en cambiar la tensión de alimentación. Esto se puede hacer conformes muestra la figura 2.
En el primer caso tenemos un potenciómetro que funciona como divisor de tensión y en el segundo caso un capacitor variable obtenido de una radio transistorizada fuera de uso.
La antena puede ser un pedazo de hilo común de 1 a 5 metros estirado. Podemos usar como receptor una radio de onda media común sintonizada en una frecuencia libre (fuera de estación).
Lista de material
CI-1 - 4049 - Circuito integrado CMOS
Varios: fuente de alimentación o pilas, matriz de contacto, material para variar la frecuencia (opcional), hilos, soldadura, etc.





