Este circuito enciende y apaga una carga, que en el ejemplo es una lámpara, cuando presionamos por un momento S1 y S2. El circuito puede ser usado en automatismos o en la demostración del principio de funcionamiento de los SCR. En automatismos, basta con cambiar la lámpara por un relé.
También podemos utilizar el circuito en un sistema de alarma en el que S1 puede ser un conjunto de sensores NA en paralelo, y S2 un interruptor de presión utilizado para rearmar.
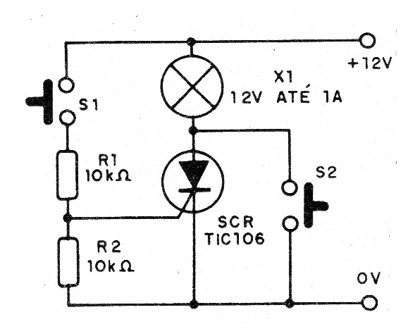
Para accionar el circuito presionamos S1 y para apagar presionamos S2. La carga máxima puede ser de 3 A, pero para ello el SCR deberá estar dotado de un radiador de calor. En la figura 1 tenemos el diagrama completo del aparato.

Como se trata de montaje experimental podemos usar una matriz de contactos para su implementación. Sin embargo, para un montaje definitivo podemos utilizar un pequeño puente de terminales, como se muestra en la figura 2.

Lista de material
SCR - TIC106 - SCR para cualquier tensión
S1, S2 - Interruptores de presión NA
R1, R2 - 10 k ohms x 1/8 W- resistores - marrón, negro, naranja
X1 - Lámpara de 12 V hasta 1 A
Varios: puente de terminales o matriz de contacto, hilos, fuente de alimentación, soldadura, etc.



