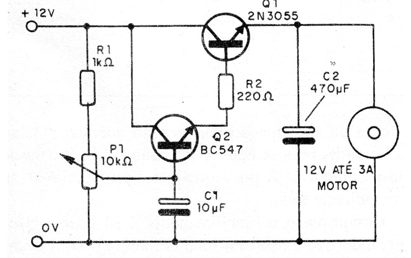
Este control utiliza dos transistores y puede controlar motores de corriente continua de 3 a 15 V con corriente máxima del orden de 3 A. El control es del tipo lineal y el transistor de potencia debe montarse en un buen radiador de calor.
El circuito consiste, en realidad, en un reóstato electrónico que también se puede utilizar con otros fines, como por ejemplo el control de brillo de las lámparas incandescentes. El circuito completo del control de velocidad se muestra en la figura 1.
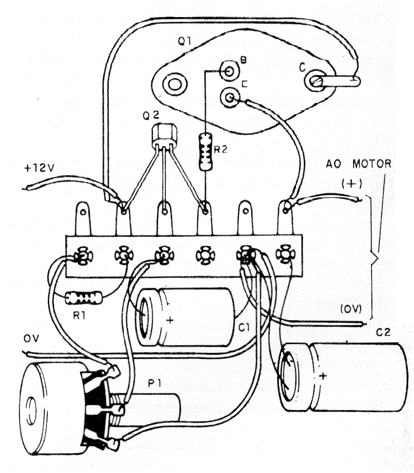
El montaje se puede realizar tanto en una placa de circuito impreso como puente de terminales. Una sugerencia para el montaje en puente se muestra en la figura 2.
El circuito se puede conectar a una fuente no regulada de tensión de acuerdo con el motor y corriente de 3 A como máximo.
Lista de material
Q1 - 2N3055 - transistores NPN de potencia
Q2 - BC547 o equivalente - transistores NPN de uso general
R1 - 1 k ohms x 1/8 W - resistor - marrón, negro, rojo
R2 - 220 ohms x 1/8 W - resistor - rojo, rojo, marrón
P1 - 10 k ohms - potenciómetro
C1 - 10 uF x 16 V o más - capacitor electrolítico
C2- 470 uF x 16 V o más - capacitor electrolítico
M - Motor de 3 a 12 V hasta 3 A
Varios: puente de terminales, radiador de calor para Q1, hilos, soldadura, etc.





