Con este simple oscilador de relajación con transistores unijuntura podemos verificar condensadores de 1 nF hasta unos 1.000 uF. Con los capacitores más pequeños el LED se enciende de forma continua, pero también podemos tener un sonido si conectamos en paralelo con el LED un transductor cerámico.
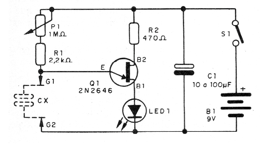
Para los capacitores más grandes el LED parpadeará. El punto de funcionamiento según el condensador se ajusta en el potenciómetro. La alimentación del circuito se realiza con una batería de 9 V y su consumo bastante bajo. En la figura 1 mostramos el diagrama completo del verificador.
Para la conexión de los capacitores en prueba se pueden usar las garras. En el caso de los capacitores electrolíticos, se debe observar su polaridad. En la figura 2 tenemos el montaje usando un puente de terminales.
Lista de material
Q1 - 2N2646 - Transistor unijuntura
LED - LED común de cualquier color
P1- 1 M ohms - pote
R1 - 2,2 k ohms x 1/8 W - resistor - rojo, rojo, rojo
R2 - 470 ohms x 1/8 W - resistor - amarillo, violeta, marrón
C1 - 10 a 100 uF x 12 V o más - capacitor electrolítico
S1 - Interruptor simple
B1 - 9 V - batería
G1, G2 - Garras cocodrilo
Varios: puente de terminales, conector de batería, caja para montaje, hilos, soldadura, etc.





