Se muestra en este circuito cómo obtener el efecto de bloqueo o traba para un relé común.
Este efecto consiste en lo siguiente: cuando energizamos la bobina de un relé, él cierra sus contactos sólo mientras circula corriente.
Cuando la corriente es cortada el relé abre sus contactos.
Si queremos tener el relé cerrado después de que la corriente sea cortada, es decir, si queremos coger el relé después de accionado, necesitamos un circuito especial.
El circuito que describimos aprovecha los contactos NA de un relé de dos contactos reversibles (cualquier tipo para 6 o 12 V sirve para esta aplicación).
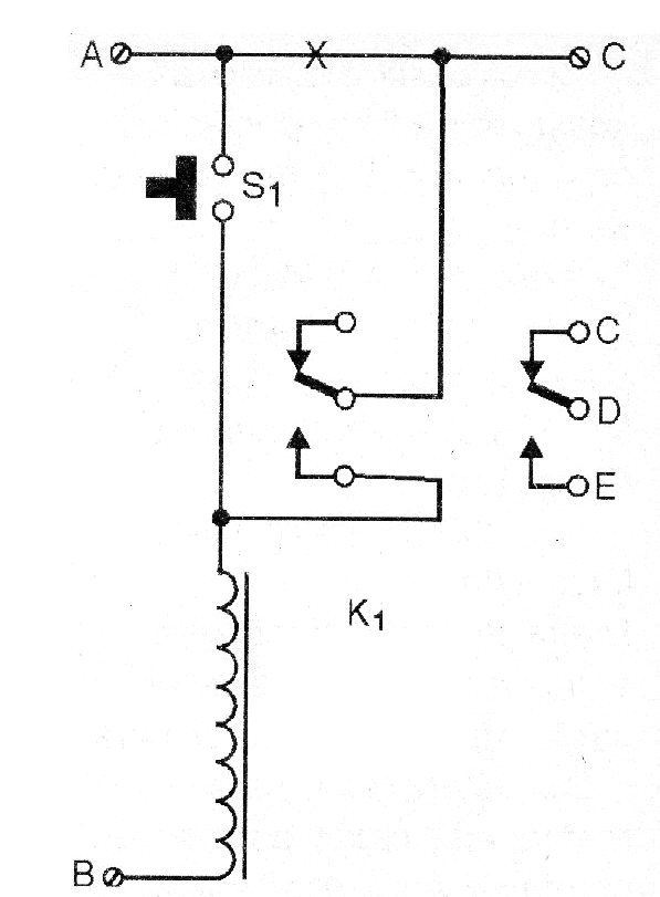
En la figura 1 tenemos el diagrama completo del relé con traba.

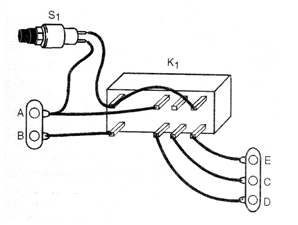
En la figura 2 tenemos el aspecto real de los componentes en su conexión para formar este circuito.

En este circuito básico alimentamos el relé entre A y B, donde aplicamos una tensión de 6 o 12 V según el tipo de relé usado.
Cuando presionamos S1 el relé cierra sus contactos y se bloquea.
Incluso después de soltar S1 se mantiene con los contactos cerrados.
Para desarmar el relé es necesario cortar la alimentación por un instante.
Una opción de cambio para el circuito puede funcionar con un pulso de tensión se hace de la siguiente manera:
Eliminamos S1. El pulso de mando de entrada que debe tener la tensión de operación del relé pasa a ser aplicado en C.
Conectamos el punto A al positivo de la alimentación del circuito.
Un diodo de protección entre A y la entrada del pulso puede ser necesario según la aplicación.
Cuando aplicamos un reloj en C el relé se dispara y se autoalimenta a través de A.
Para apagar el circuito se debe interrumpir la alimentación por un instante en A.
Otra manera de apagar el circuito consiste en colocar en corto laa bobina del relé por un instante.
LISTA DE MATERIAL
K1 - relé de 6 o 12 V sensible - cualquier tipo
S1 - Interruptor de presión NA
Varios:
Puente de terminales, hilos, caja para montaje, soldadura, etc.



