Si usted tiene dificultad para oír estaciones de onda corta distantes en su radio alimentada por fuente, debido a interferencias, o si en la imagen de su televisor analógico a la banda de VHF aparecen líneas y lluvias en determinados momentos, cuando alguien en las vecindades conecta algún electrodoméstico , Es la señal de que usted necesita un filtro.
El filtro presentado resuelve los problemas de interferencia que llegan a su radio AM, OC o televisor a través de la red de energía. Para las interferencias que vienen a través del espacio, en forma de ondas, este filtro no sirve, por lo que será interesante considerar esta hipótesis si el filtro no funciona como se espera.
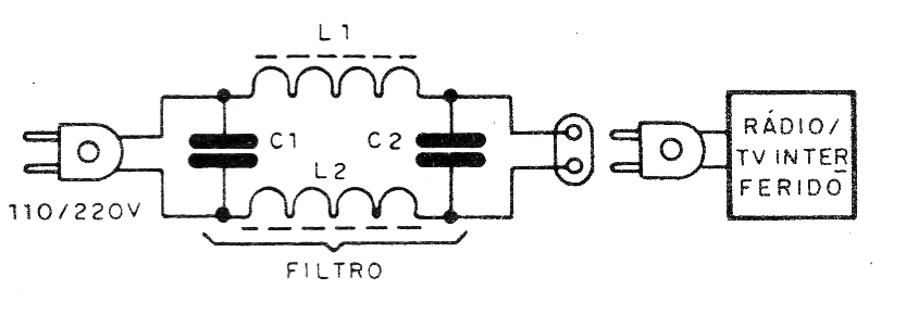
La conexión del filtro se realiza intercalando entre la red de alimentación y el aparato interferido o entre la toma y el aparato interferente, como se muestra en la figura 1.
El montaje es simple, pudiendo ser realizado en una caja plástica o metal, conforme la disposición mostrada en la figura 2.
Las bobinas están formadas por 50 o más espiras de hilo común o 22 AWG en un bastón de ferrita de aproximadamente 10 cm de longitud y 1 cm de diámetro. Los capacitores deben ser de poliéster con al menos 250 V de tensión de trabajo si la red es de 110 V, y al menos 400 V si la red es de 220 V.
El circuito consiste en un filtro de paso bajo donde los capacitores cortocircuitan de las señales interferentes. Este filtro funcionará bien en la eliminación de señales interferentes por encima de 100 kHz.
Lista de material
L1, L2 - Bobinas - ver texto
C1, C2- 100 nF- capacitores de poliéster - ver el texto
Varios: bastones de ferrita, hilos, soldadura, caja para montaje, enchufe, etc.





