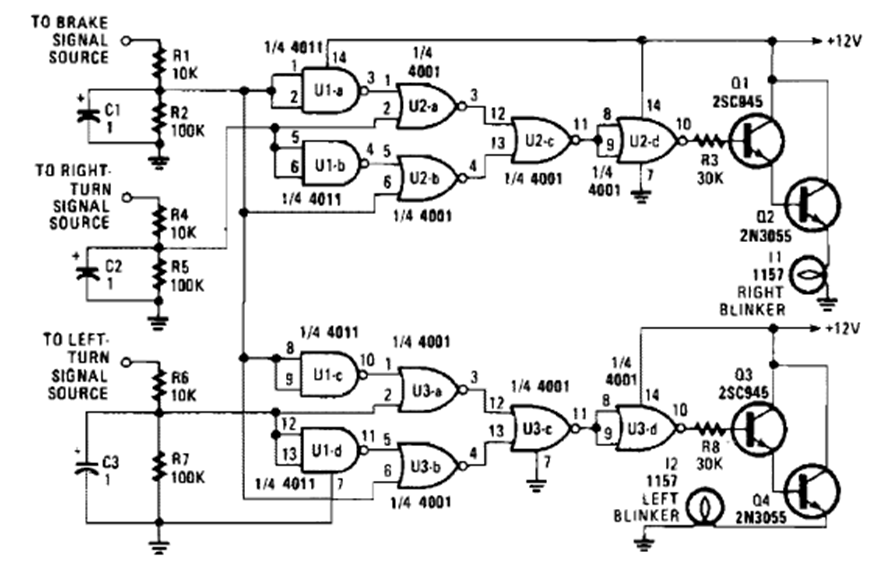
Este circuito para coches de la época se encontró en una revista Popular Electronics de los años 90. El circuito se basa en la lógica CMOS, común incluso hoy en día.
En la figura 1 tenemos un órgano electrónico de juguete que puede tanto servir para divertir a los niños...
La acción rápida de conmutación del 4093 ayuda a obtener un circuito de interruptor nocturno que no se...
Girando un pequeño motor con la ayuda de un volante, producimos un sonido similar al de una sirena...