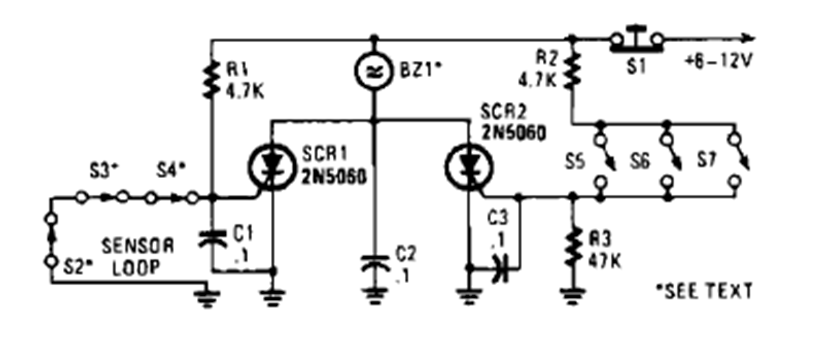
Esta alarma con sensores en serie y paralelo se encontró en la Enciclopedia de Circuitos Electrónicos de 1995. El número de sensores se puede modificar a voluntad.
Este relé de luz o sobre, según las posiciones del LDR y de P1 es extremadamente sensible, pues utiliza...
Este simple circuito puede medir temperaturas con cierta precisión, dependiendo sólo de cómo se...
Las experiencias que involucran electricidad y química son atractivas, principalmente aquellas en las que...