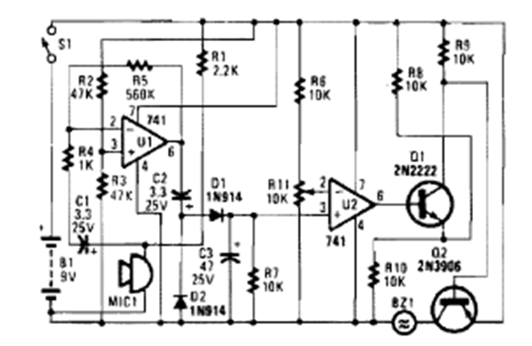
Esta sirena de alarma se encontró en el volumen 5 de la Enciclopedia de Circuitos Electrónicos de 1995. El circuito alimenta un zumbador.
En la figura 1 tenemos un órgano electrónico de juguete que puede tanto servir para divertir a los niños...
La acción rápida de conmutación del 4093 ayuda a obtener un circuito de interruptor nocturno que no se...
Girando un pequeño motor con la ayuda de un volante, producimos un sonido similar al de una sirena...