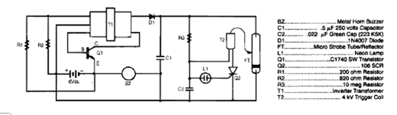
Este circuito, que se encuentra en la Enciclopedia de Circuitos Electrónicos, volumen 5 de 1995, utiliza un transformador. El circuito alimenta un transformador que produce 200 V para una lámpara de xenón.
En la figura 1 tenemos un órgano electrónico de juguete que puede tanto servir para divertir a los niños...
La acción rápida de conmutación del 4093 ayuda a obtener un circuito de interruptor nocturno que no se...
Girando un pequeño motor con la ayuda de un volante, producimos un sonido similar al de una sirena...