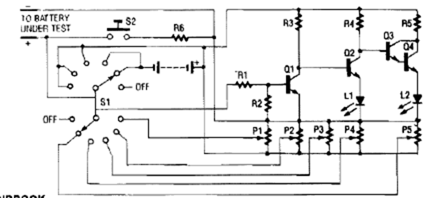
Este circuito de prueba se encontró en el Hobbyst Handbook (PE) en una edición de la década de 1990. El circuito prueba la batería bajo carga. La carga, al seleccionarse la batería mediante el interruptor.
En la figura 1 tenemos un órgano electrónico de juguete que puede tanto servir para divertir a los niños...
La acción rápida de conmutación del 4093 ayuda a obtener un circuito de interruptor nocturno que no se...
Girando un pequeño motor con la ayuda de un volante, producimos un sonido similar al de una sirena...