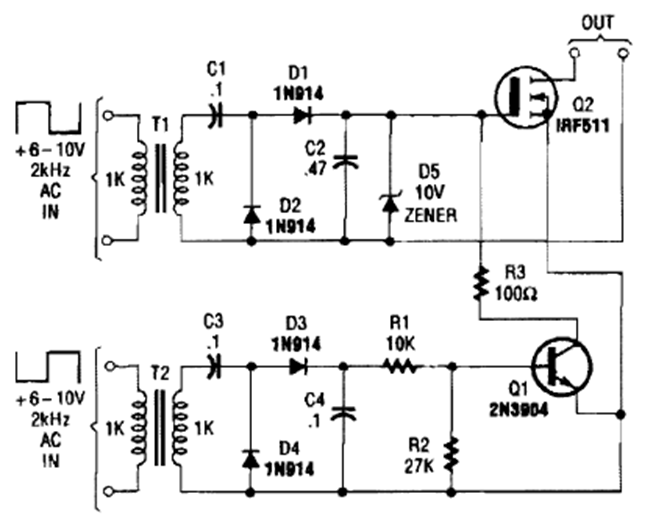
Este circuito conmuta cargas de potencia mediante señales de audio. El circuito es de una Popular Electronics de los años 90. Los componentes se pueden cambiar según la señal utilizada.
En la figura 1 tenemos un órgano electrónico de juguete que puede tanto servir para divertir a los niños...
La acción rápida de conmutación del 4093 ayuda a obtener un circuito de interruptor nocturno que no se...
Girando un pequeño motor con la ayuda de un volante, producimos un sonido similar al de una sirena...