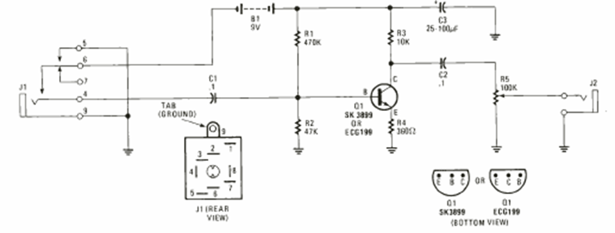
Encontramos este circuito en los Radio Electronics Special Projects de 1992. El circuito enciende la alimentación cuando se inserta el enchufe del micrófono en el conector de entrada.
En la figura 1 tenemos un órgano electrónico de juguete que puede tanto servir para divertir a los niños...
La acción rápida de conmutación del 4093 ayuda a obtener un circuito de interruptor nocturno que no se...
Girando un pequeño motor con la ayuda de un volante, producimos un sonido similar al de una sirena...