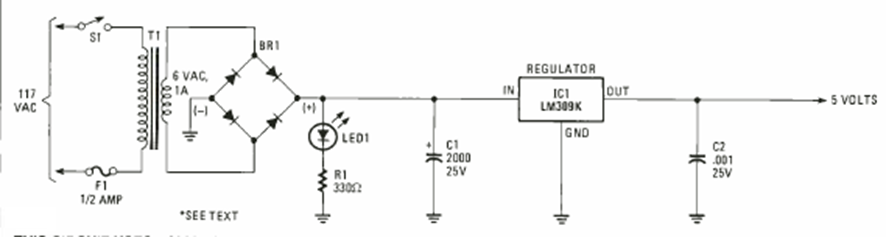
Éste es uno de los muchos usos posibles de los reguladores integrados. Esta fuente de alimentación para experimentador del Electronics Experimenter Special Projects de 1981 utiliza un transformador de un solo devanado con rectificación de puente.
En la figura 1 tenemos un órgano electrónico de juguete que puede tanto servir para divertir a los niños...
La acción rápida de conmutación del 4093 ayuda a obtener un circuito de interruptor nocturno que no se...
Girando un pequeño motor con la ayuda de un volante, producimos un sonido similar al de una sirena...