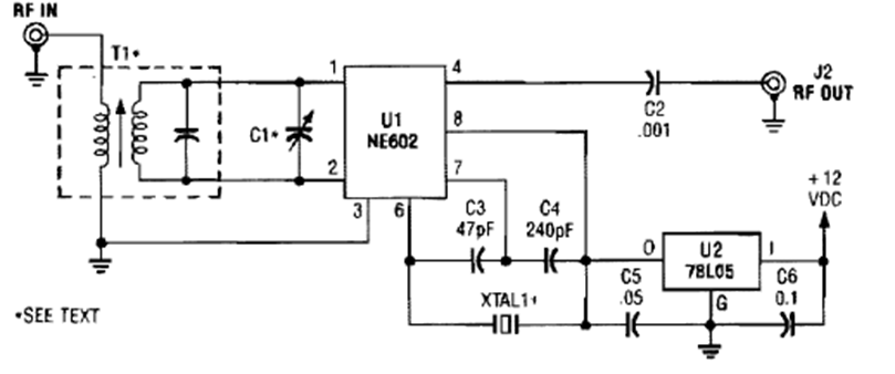
Encontramos este r circuito numa Popular Electronics de la década de 1990. El transformador T1 determina el rango de frecuencia recibido y el cristal de frecuencia en el que se recibirá la señal convertida.
En la figura 1 tenemos un órgano electrónico de juguete que puede tanto servir para divertir a los niños...
La acción rápida de conmutación del 4093 ayuda a obtener un circuito de interruptor nocturno que no se...
Girando un pequeño motor con la ayuda de un volante, producimos un sonido similar al de una sirena...