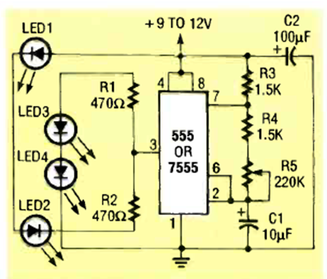
Encontrado en la edición de enero de 1992 de la revista Radio Electronics, este circuito tiene su frecuencia controlada por R5. Esta frecuencia se puede ajustar entre 15 Hz y 2 KHz.

Encontrado en la edición de enero de 1992 de la revista Radio Electronics, este circuito tiene su frecuencia controlada por R5. Esta frecuencia se puede ajustar entre 15 Hz y 2 KHz.
