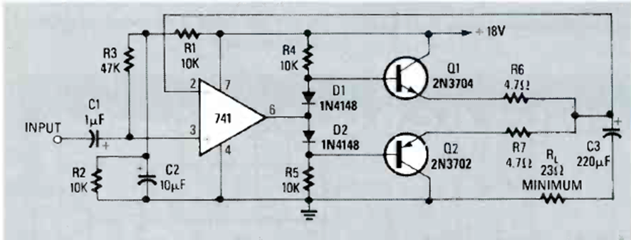
Este circuito es la versión de fuente única del circuito anterior. Los transistores son de propósito general. Lo encontramos en la revista Radio Electronics de marzo de 1990.
Con la configuración de la figura 1 es posible aumentar la corriente de salida de una fuente con...
Con este circuito podemos accionar un relé a partir de señales muy débiles de audio o de corriente...
En realidad se trata de un juguete o circuito didáctico que indica cuando las respuestas correctas son...