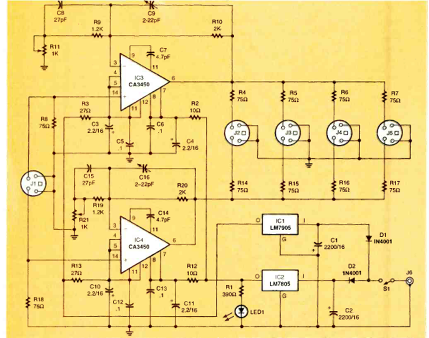
Encontramos este amplificador de vídeo con circuitos integrados de la época en la revista Eletrconics Now de julio de 1998. El circuito es para señales analógicas.
Con la configuración de la figura 1 es posible aumentar la corriente de salida de una fuente con...
Con este circuito podemos accionar un relé a partir de señales muy débiles de audio o de corriente...
En realidad se trata de un juguete o circuito didáctico que indica cuando las respuestas correctas son...