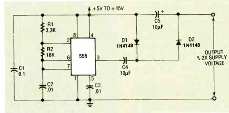
Este circuito, capaz de generar tensiones de hasta 25 V, se descubrió en la edición de diciembre de 1992 de la revista Radio Electronics. La frecuencia del circuito se puede ajustar para una mayor eficiencia y la corriente es de tan solo unos pocos miliamperes.




