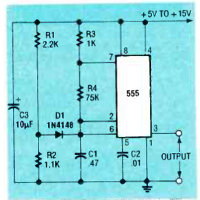
Este oscilador de precisión se encontró en la edición de octubre de 1992 de la revista Radio Electronics. La frecuencia del circuito está dada por el capacitor C1, que puede modificarse.

Este oscilador de precisión se encontró en la edición de octubre de 1992 de la revista Radio Electronics. La frecuencia del circuito está dada por el capacitor C1, que puede modificarse.
