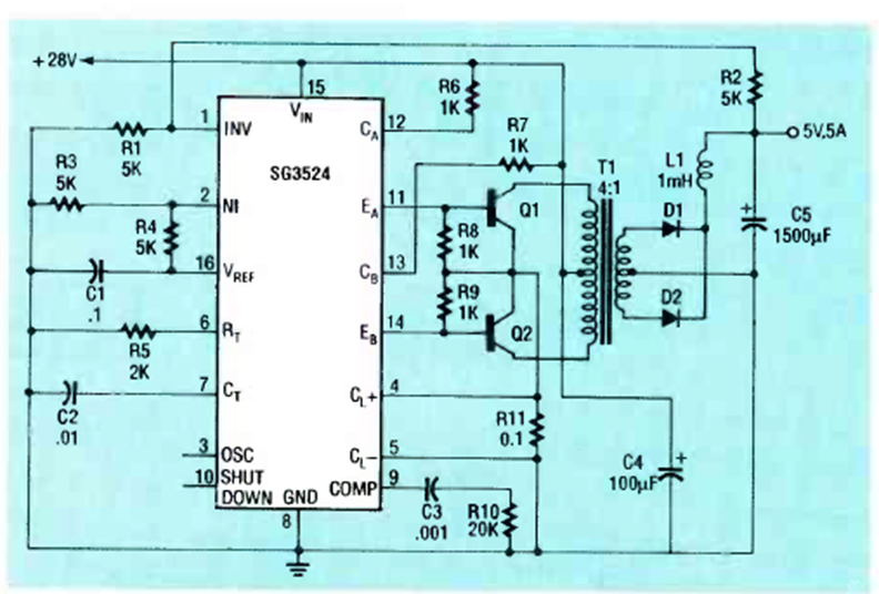
Este circuito utiliza el SQ3524, un circuito integrado de conmutación. El circuito fue encontrado en la edición de abril de 1991 de la revista Radio Electronics.
Este es un simple montaje didáctico que se puede realizar sobre la base de un puente de terminales o...
Si usted tiene miedo de conectar los aparatos que usted mismo monta directamente en la toma, pues...
Este oscilador puede generar señales de 100 kHz hasta más de 50 MHz dependiendo del cristal usado y del...