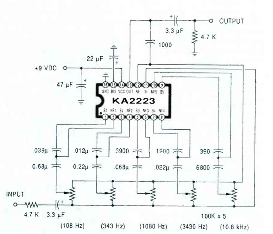
Este circuito fue encontrado en una Radio Electrónica de abril de 1990. El circuito tiene 5 bandas de ecualización dadas por los capacitores utilizados.
El amplificador presentado se basa en el LM12 de National Semiconductor y transistores de alta...
Encontramos este circuito en una documentación técnica de 1977. El circuito genera señales en una amplia...
Este circuito de módem que utiliza un PLL 4046 fue encontrado en la edición de octubre de 1994 de la...