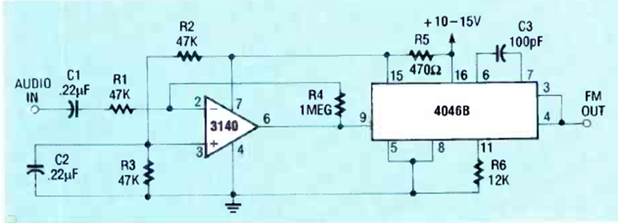
Utilizando un PLL 4046 encontramos este circuito en la edición de diciembre de 1989 de la revista Radio Electronics. El circuito opera a 220 kHz, pero esta frecuencia se puede cambiar modificando C3.
Este es un simple montaje didáctico que se puede realizar sobre la base de un puente de terminales o...
Si usted tiene miedo de conectar los aparatos que usted mismo monta directamente en la toma, pues...
Este oscilador puede generar señales de 100 kHz hasta más de 50 MHz dependiendo del cristal usado y del...